Art. Blindniete offen, großer Kopf 9,5 mm

Offene Blindnieten mit großem Flachkopf CK 9,5 mm sind eine spezielle Form des Hohlniets,  die über eine spezielle Blindnietzange verarbeitet werden und zur Verarbeitung nur Zugang zu einer Seite des Bauteils benötigen, das verbunden werden soll. Sie werden auch als Popniet(en) oder Zugdornniet(en) bezeichnet. Der "Kopf" der Blindniete kann als Senkkopf oder Flachkopf ausgeführt sein. Sie haben einen besonders großen, flachen Kopf. mehr ...


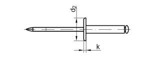
Technische Maße für Art. Blindniete offen, großer Kopf 9,5 mm

Legende:
d2
= Durchmesser-Kopf
Klemmbereich
= Klemmbereich
k
= Höhe-Kopf
Länge
= Länge-Gesamt
Bohrer Ø
= Durchmesser-Vorbohren
Maße (d)
= Durchmesser (Nennmaß)

Maße (d) 3,2 3,2 3,2 3,2 3,2
Länge 6 8 10 12 16
Klemmbereich 1,5-3,5 3,5-5,0 5,0-7,0 7,0-9,0 9,0-13,0
d2 9,5 9,5 9,5 9,5 9,5
k 1,3 1,3 1,3 1,3 1,3
Bohrer Ø 3,3 3,3 3,3 3,3 3,3

weitere Informationen

 

Blindnieten und deren Verwendungszweck

Typische Einsatzbereiche von Blindnieten sind alle Verbindungen von zwei Blechen, Gehäusen oder sonstigen Materialien. Einsatz finden Blindnieten im Flugzeugbau, PKW- , LKW-, Kfz-Bereich, dem Maschinen- und Anlagenbau, der Modellbautechnik oder im Schiffsbau. Anders als eine Schraubverbindung können Blindnietverbindungen zwar schneller hergestellt, aber auch deutlich schwieriger wieder gelöst werden.

 

Montage von offene Blindnieten mit großem Flachkopf CK 9,5 mm

Zur Befestigung einer Blindniete muss zunächst ein Loch passend zum Durchmesser der Niete gebohrt werden, durch welches der Niet mit dem Dorn eingesteckt wird. Mit Hilfe einer Blindnietzange wird der hervorstehende Dorn, das Ende der Niete, nach Außen gezogen. Durch diesen Vorgang kommt es zu einer Verformung des oberen Teils der Blindniete (dem Niet), welcher dann einen Wulst bildet und so die Bauteile verbindet. Nachdem die Verbindung hergestellt ist, reißt der Dorn entlang einer bereits in der Blindniete vorhandenen Sollbruchstelle ab.

 

Material und Werkstoffe bei offene Blindnieten mit großem Flachkopf CK9,5 mm

Die Angabe des Werkstoffs bei Blindnieten ist immer zweiteilig, z.B. Stahl-Stahl. Der erste Werkstoff steht für den Niet, also den "oberen" Teil der Blindniete, der sich später zu einer Wulst umformt. Der zweite Teil hinter dem Bindestrich steht für den Werkstoff des Dorns, an dem später die Blindniete mit der Blindnietzange angezogen wird.

Alle Angaben ohne Gewähr, Gewährleistung oder Haftung.


Version 3.24.4 - Servername: WEBAPP11


 
 Warenkorb
Zur Kasse | Drucken
 
Ihr Warenkorb ist leer

DIN 125 Unterlegscheiben Form A Stahl Klasse 140 HV

DIN 125 Unterlegscheiben Form A Stahl Klasse 140 HV
 
Artikel-Nr. 1490-210
Werkstoff STAHL - verzinkt
Norm DIN 125A
Abmessung A 5,3 f. M 5

DIN 7504 Bohrschrauben P mit Senkkopf, Blechschraubengewinde PZ-Kreuzschlitz

DIN 7504 Bohrschrauben P mit Senkkopf, Blechschraubengewinde PZ-Kreuzschlitz
 
Artikel-Nr. 4265-010
Werkstoff ROSTFREI A2
Norm DIN 7504Z
Abmessung P 4,8 x 60 Z

DIN 2510 Sechskantmuttern für Schraubenbolzen

DIN 2510 Sechskantmuttern für Schraubenbolzen
 
Artikelgruppe 4823
Werkstoff 25CrMo5
Norm DIN 2510MU
Unsere App - jetzt online!
NEU im Sortiment: Zusätzlich über 15.000 neue Kleinmengen
Zertifizierung

Kundenbewertungen (2.295)
So entstehen unsere Kundenbewertungen

Unsere Kundenbewertungen einschließlich der Sternebewertungen können nur nach Bestellabschluss erstellt werden.

Dadurch ist sichergestellt, dass unser Bestellprozess, unser Service sowie unsere Produkte von echten Kunden bewertet werden, die ihre Erfahrungen mit ihnen teilen möchten.


"besten Dank, weiter so: :)"
- Jürgen Lingen

"Besten Dank"
- Jürgen Lingen

"War schon Kunde mit anderer Firma bei Ihnen, von daher ist mir Fa. Wegertseder ein Begriff für Schrauben unterschiedlichster Art."
-

"Bin absolut zufrieden, Danke, dass Sie auch relative Kleinaufträge für Privatkäufer ermöglichen.BesteGrüße,SOH"
- Sven-Oliver Henkel

"Sehr guter Kundenservice "
-

Unsere Cookie-Richtlinien

Wir nutzen Cookies, um unsere Seite für Sie bestmöglich zu gestalten und dauerhaft zu verbessern. Weitere Informationen erhalten Sie in unserer Datenschutzerklärung. Ohne Ihre Zustimmung werden nur technisch notwendige Cookies verwendet.
AKZEPTIEREN
ABLEHNEN