DIN 127 Federringe Form A = aufgebogen

Unter der DIN 127 werden Federringe geführt, die entweder als Form A mit aufgebogenen Enden oder als Form B mit Standard-Enden (glatt) verfügbar sind. Federringe sind Sicherungselemente, die bei Schraubverbindungen eingesetzt werden und ein ungewolltes Lockerwerden der Schrauben verhindern sollen. Federringe gelten als preiswerte alternative der Schraubensicherung. Der Grundaufbau eines Federrings nach DIN 127 ist ein Ring mit rechteckigem Querschnitt, der an einer Seite aufgeschnitten und zu einer Schraubenlinie verformt ist. Die Sicherung erfolgt beim Festziehen der Schrauben durch Formschluss (Typ A) beziehungsweise Kraftschluss (Typ B). mehr ...


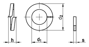
Technische Maße für DIN 127 Federringe Form A = aufgebogen

Legende:
s
= Stärke / Höhe
Maße
= Durchmesser-Innen (Nennmaß)
h
= Höhe
d2
= Durchmesser-Außen
d1
= Durchmesser-Innen

MaßeA 3A 3,5A 4A 5A 6A 7A 8A 10A 12A 14A 16A 18A 20
d13,13,64,15,16,17,18,110,212,214,216,218,220,2
d26,26,77,69,211,812,814,818,121,124,127,429,433,6
s0,80,80,91,21,61,622,22,533,53,54
h1,91,92,12,73,63,64,655,86,87,87,88,8
MaßeA 22A 24A 27A 30A 33A 36A 39A 42A 45A 48A 52  
d122,524,527,530,533,536,539,542,545,54953  
d235,9404348,253,258,261,268,271,27582  
s45566667778  
h8,8111113,613,613,613,615,615,615,618  

weitere Informationen

 

Anwendungsbereich von Federringen nach DIN 127

Federringe nach DIN 127 dienen der Sicherung von Schraube und Mutter im Innen- und Außenbereich sowie in Feuchträumen. Die Federringe sind dabei universell einsetzbar, es ist aber darauf zu achten, dass bei hochbeanspruchten Bauteilen, die ständiger Bewegung unterliegen, keine dauerhafte Sicherung der Schraubverbindung gewährleistet werden kann! Federringe, die aus rostfreiem Edelstahl A2 oder A4 hergestellt sind, können dauerhaft im Außeneinsatz verbleiben, wohingegen Federringe aus Federstahl oder Stahl vornehmlich in wassergeschützten Umgebungen eingesetzt werden. Durch den geringen Anschaffungspreis stellen Federringe nach DIN 127 die günstigste Möglichkeit von zuverlässigen Schraubensicherungen dar.

 

Unsere Produkte gemäß DIN 127

Wir führen Federringe gemäß DIN 127 sowohl als Form A mit aufgebogenen Enden als auch als Form B mit glatten Enden. Beide Typen können Sie bei uns aus feuerverzinktem, gelb verzinktem oder verzinktem Federstahl sowie aus rostfreiem Edelstahl A2 oder A4 beziehen. Auch die einfache Ausführung aus Stahl ist bei uns erhältlich.

Alle Angaben ohne Gewähr, Gewährleistung oder Haftung.


Version 3.24.2 - Servername: WEBAPP11


 
 Warenkorb
Zur Kasse | Drucken
 
Ihr Warenkorb ist leer

DIN 125 Unterlegscheiben Form A Stahl Klasse 140 HV

DIN 125 Unterlegscheiben Form A Stahl Klasse 140 HV
 
Artikel-Nr. 1490-218
Werkstoff STAHL - verzinkt
Norm DIN 125A
Abmessung A 10,5 f. M 10

ISO 7380 Flachkopfschrauben mit Innensechsrund (TX)

ISO 7380 Flachkopfschrauben mit Innensechsrund (TX)
 
Artikel-Nr. 4251-011
Werkstoff ROSTFREI A4
Norm ISO 7380TX
Abmessung M 2 x 14 TX

Adapter für 1/2" Stecknüsse

Artikelgruppe 6539
Werkstoff WERKZEUGSTAHL
Norm Art. 82031
Unsere App - jetzt online!
NEU im Sortiment: Zusätzlich über 15.000 neue Kleinmengen
Zertifizierung

Kundenbewertungen (2.147)
So entstehen unsere Kundenbewertungen

Unsere Kundenbewertungen einschließlich der Sternebewertungen können nur nach Bestellabschluss erstellt werden.

Dadurch ist sichergestellt, dass unser Bestellprozess, unser Service sowie unsere Produkte von echten Kunden bewertet werden, die ihre Erfahrungen mit ihnen teilen möchten.


"ja, alle beim THW finden den Shop toll ;-)"
-

"Bin sehr zufrieden. Habe Euch auch schon weiterempfohlen."
-

"macht einfach Spaß, bei Ihnen einzukaufen!"
-

"Passt alles, was angeboten wird wird auch geliefert und das sehr schnell. Sehr gute Qualität"
- Klaus Lauber

"Klasse WebShop! Kurz war ich verunsichert, wie ich die Menge anzugeben habe: Nach Paket oder tatsächliche Stückzahl. Aber da kommt man schnell dahinter. Wie gesagt - KLASSE!"
- Eberhard Stollsteimer

Unsere Cookie-Richtlinien

Wir nutzen Cookies, um unsere Seite für Sie bestmöglich zu gestalten und dauerhaft zu verbessern. Weitere Informationen erhalten Sie in unserer Datenschutzerklärung. Ohne Ihre Zustimmung werden nur technisch notwendige Cookies verwendet.
AKZEPTIEREN
ABLEHNEN