DIN 462 Scheiben mit Innennase, für Nutmutter DIN 1804

DIN 462 Scheiben mit Innennase, für Nutmutter DIN 1804 sind meist gestanzte runde Scheiben mit rundem Innenloch. Im Rand ist ein Stück, die Innennase, ausgestanzt und um 90 Grad aufgebogen. Diese Scheibe kann über die Innennase arretiert werden. Verwendet werden diese Scheiben meist zusammen mit Nutmuttern der DIN 1804. mehr ...


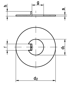
Technische Maße für DIN 462 Scheiben mit Innennase, für Nutmutter DIN 1804

Legende:
Maße (d1)
= Durchmesser-Innen (Nennmaß)
s
= Stärke (Blech)
d2
= Durchmesser-Außen
f
= Breite-Nase
h
= Höhe-Nase
g
= Abstand Nase zu Durchmesser-Innen

Maße (d1)8101416182022242830323538404245
d220253032343640425050525558626268
s0,80,80,81111111,21,21,21,21,21,21,2
f3455666677778888
g5,97,411,413,515,417,519,521,625,527,529,632,636,337,339,342,4
h2,5333444455555555
Maße (d1)48505255586062657075808595100  
d27575808090909595100110115120135145  
s1,21,21,21,21,51,51,51,51,51,51,51,51,51,5  
f88101010101010101010101212  
g45,447,449,352,355,357,359,362,467,471,976,981,991,896,9  
h55666666677788  

weitere Informationen

 

Lieferbare Werkstoffe für DIN 462 Scheiben mit Innennase

Wir liefern diese DIN 462 Scheiben mit Außennase in den Werkstoffen Rostfrei A2 oder hochsäurebeständigem Rostfrei A4. Außerdem erhalten Sie diese Scheibe in Stahl blank.

Alle Angaben ohne Gewähr, Gewährleistung oder Haftung.


Version 3.24.2 - Servername: WEBAPP12


 
 Warenkorb
Zur Kasse | Drucken
 
Ihr Warenkorb ist leer

DIN 985 Sechskantmuttern, Polyamidklemmteil, niedrige Form (=Standard)

DIN 985 Sechskantmuttern, Polyamidklemmteil, niedrige Form (=Standard)
 
Artikel-Nr. 3340-142
Werkstoff STAHL 6/8 - verzinkt
Norm DIN 985
Abmessung M 4

Art. Senkkopf -Spanplattenschrauben Fräsrippen, Schneidkerbe, Innensechsrund (TX)

Art. Senkkopf -Spanplattenschrauben Fräsrippen, Schneidkerbe, Innensechsrund (TX)
 
Artikel-Nr. 4287-070
Werkstoff ROSTFREI A4
Norm Art. 81928
Abmessung 8 x 380 TX

DIN 564 SK-Schraube mit Auslauf, kleiner Sechskant, Ansatzspitze, Gewinde bis Kopf, Form B

DIN 564 SK-Schraube mit Auslauf, kleiner Sechskant, Ansatzspitze, Gewinde bis Kopf, Form B
 
Artikelgruppe 2860
Werkstoff STAHL 22 H
Norm DIN 564B
Unsere App - jetzt online!
NEU im Sortiment: Wir haben unser Dübelsortiment erweitert
Zertifizierung

Kundenbewertungen (2.147)
So entstehen unsere Kundenbewertungen

Unsere Kundenbewertungen einschließlich der Sternebewertungen können nur nach Bestellabschluss erstellt werden.

Dadurch ist sichergestellt, dass unser Bestellprozess, unser Service sowie unsere Produkte von echten Kunden bewertet werden, die ihre Erfahrungen mit ihnen teilen möchten.


"Bin zwar nicht oft hier, aber immer sehr gerne :-)"
-

"Es funktioniert einfach, im wahsten Sinne des Wortes - Vielen Dank dafür."
-

"Bestelle immer wieder gerne mei Ihnen"
-

"macht so weiter"
-

"Sehr guter Kundenservice "
-

Unsere Cookie-Richtlinien

Wir nutzen Cookies, um unsere Seite für Sie bestmöglich zu gestalten und dauerhaft zu verbessern. Weitere Informationen erhalten Sie in unserer Datenschutzerklärung. Ohne Ihre Zustimmung werden nur technisch notwendige Cookies verwendet.
AKZEPTIEREN
ABLEHNEN