DIN 464 Rändelschrauben hohe Form

DIN 464 Rändelschrauben hohe Form sind Schrauben mit metrischem Regelgewinde (M) mit einem markanten, großen flachen Rändelkopf. Diese Schraube hat einen besonders hohen Ansatz zwischen Rändelkopf und Gewinde, deshalb der Name hohe Form. Man bezeichnet sie auch als Stellschrauben. Der Rändelkopf ist seitlich geriffelt, weshalb die Rändelschraube besonders griffig ist, wenn man sie per Hand anzieht. Meist werden sie nur "handfest" ohne Werkzeug festgedreht. Im Englischen heißen Rändelschrauben plakativ auch "thumb screws", also Daumenschrauben in Anspielung darauf, dass Rändelschrauben einfach mit Daumen und Zeigefinger gedreht werden. mehr ...


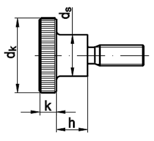
Technische Maße für DIN 464 Rändelschrauben hohe Form

Legende:
Maße
= Durchmesser metrisches Gewinde (M) (Nennmaß)
dk
= Durchmesser-Kopf
k
= Höhe-Kopf
ds
= Durchmesser-Kopfansatz
h
= Höhe-Kopfansatz

Maße M 3 M 4 M 5 M 6 M 8 M 10
dk 12 16 20 24 30 36
k 2,5 3,5 4,0 5,0 6,0 8,0
h 5,7 7,64 9,64 11,57 15,57 19,48
ds 6 8 10 12 16 20

weitere Informationen

 

Einsatz von DIN 464 Rändelschrauben hohe Form

Rändelschrauben werden häufig dort eingesetzt, wo das feine Justieren und oder häufiges Lösen der Schraube nötig ist. Auch findet die Rändelschraube gern im sichtbaren Bereich als Zierschraube Verwendung. Über den großen, griffigen Rändelkopf kann das Bauteil nach der Einrichtung einfach und bequem fixiert werden. Eingesetzt werden Rändelschrauben meist im Maschinen- und Anlagenbau, in der Werkzeugtechnik, bei medizinischen Geräten, Prüfeinrichtungen, im Modellbau, Stativen für Foto, Video oder Baustellengeräte und an PC-Gehäusen als "PC-Schrauben". Achtung: hier kommen bei Gehäusen aus Fernost oft besonders kleine Rändelschrauben zum Einsatz, wie hier nicht anbieten, da diese keine genormten Bauteile sind.

 

Unterschiedliche Werkstoffe von DIN 464 Rändelschrauben hohe Form

Bei Rändelschrauben bieten wir neben Edelstahl Rostfrei A2 auch die Werkstoffe Messing, Stahl blank oder Stahl verzinkt an. Für optisch anspruchsvolle Anwendungen eignen sich besonders die Rändelschrauben in Messing oder Edelstahl, welche beide poliert und somit besonders schön aufbereitet werden können.

Alle Angaben ohne Gewähr, Gewährleistung oder Haftung.


Version 3.24.2 - Servername: WEBAPP11


 
 Warenkorb
Zur Kasse | Drucken
 
Ihr Warenkorb ist leer

DIN 912 Zylinderschrauben, mit Innensechskant

DIN 912 Zylinderschrauben, mit Innensechskant
 
Artikel-Nr. 2524-019
Werkstoff STAHL 8.8 - verzinkt
Norm DIN 912
Abmessung M 4 x 10

Art. Senkkopf -Spanplattenschrauben Fräsrippen, Schneidkerbe, Innensechsrund (TX)

Art. Senkkopf -Spanplattenschrauben Fräsrippen, Schneidkerbe, Innensechsrund (TX)
 
Artikel-Nr. 4287-007
Werkstoff ROSTFREI A4
Norm Art. 81928
Abmessung 4 x 40 TX

ISO 7042 Sechskantmutter, Klemmteil Metall

ISO 7042 Sechskantmutter, Klemmteil Metall
 
Artikel-Nr. 4882-305
Werkstoff STAHL 10 - zinklamellenbeschichtet
Norm ISO 7042
Abmessung M 12
Unsere App - jetzt online!
NEU im Sortiment: Zusätzlich über 15.000 neue Kleinmengen
Zertifizierung

Kundenbewertungen (2.156)
So entstehen unsere Kundenbewertungen

Unsere Kundenbewertungen einschließlich der Sternebewertungen können nur nach Bestellabschluss erstellt werden.

Dadurch ist sichergestellt, dass unser Bestellprozess, unser Service sowie unsere Produkte von echten Kunden bewertet werden, die ihre Erfahrungen mit ihnen teilen möchten.


"Schönen Gruß aus Schönburg !!!"
-

"Anmerkung zur letzten Frage: bereits mehrfach weiterempfohlen"
-

"Ihr seid die Besten! So solle es sein, Germany statt China! DANKE!"
- Konrad Wagner

"Alles toll, da ich das erste Mal bei Euch bestelle, kann ich zu der Lieferzeit und Verpackung nichts sagen. Ein entspanntes Wochenende und ich hoffe, das GLS morgen anliefert... ;-)"
- Michael Diekmann

"Sie haben sich zur ersten Adresse für Schrauben entwickelt! Wir danken Ihnen. Gruß David Fuchs"
-

Unsere Cookie-Richtlinien

Wir nutzen Cookies, um unsere Seite für Sie bestmöglich zu gestalten und dauerhaft zu verbessern. Weitere Informationen erhalten Sie in unserer Datenschutzerklärung. Ohne Ihre Zustimmung werden nur technisch notwendige Cookies verwendet.
AKZEPTIEREN
ABLEHNEN