DIN 467 Rändelmuttern niedrige Form

DIN 467 Rändelmuttern niedrige Form sind runde Muttern mit metrischem Innengewinde (M), welche als Bedienelement oder zur Zierde eingesetzt werden. Sie haben fast keinen Ansatz unterhalb des Rändelkopfes. Durch ihren großen Kopf können Rändelschrauben leicht gedreht werden und sehen gut aus. Der aufgeraute Rand, die Rändelung, erhöht die Griffigkeit beim Anziehen der Rändelmutter per Hand. Damit kann ein Bauteil schnell, auch per Hand, gelockert oder fixiert werden, ohne dass Werkzeug benötigt wird. Natürlich kann man Rändelschrauben damit nur "handfest" anziehen. Im Englischen heißen Rändelmuttern plakativ auch "thumb nuts", also Daumenmuttern, in Anspielung darauf, dass sie einfach mit Daumen und Zeigefinger gelöst werden können. mehr ...


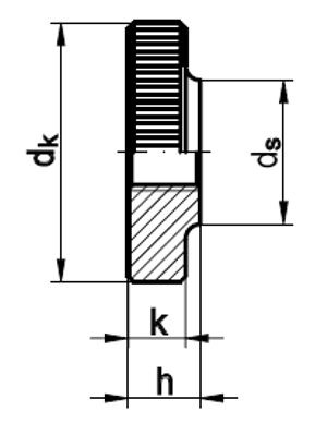
Technische Maße für DIN 467 Rändelmuttern niedrige Form

Legende:
Maße
= Durchmesser für metrisches Maß (M) (Nennmaß)
k
= Höhe-Gesamt
h
= Höhe-Antrieb
ds
= Durchmesser-Ansatz unten
dk
= Durchmesser-Kopf

Maße M 4 M 5 M 6 M 8 M 10 M 12 (nicht genormt)
dk 16 20 24 30 36 35
ds 8 10 12 16 20 20
k 3,5 4 5 6 8 8
h 4 5 6 8 10 10

weitere Informationen

 

Einsatzbereich von DIN 467 Rändelmuttern niedrige Form

Heute werden Rändelmuttern vor allem im Maschinenbau und im Bereich der Feinwerktechnik eingesetzt. Die niedrige Form eignet sich besonders dann, wenn wenig Platz ist eine schlanke Optik wichtig ist. Häufig findet man sie noch an alten Möbeln, im Modellbau bei Modellautos oder Oldtimer- Motorrädern oder Autos. Der Vorteil der Rändelmuttern liegt darin, dass man sie schnell öffnen und wieder festdrehen kann. Man unterscheidet eine niedrige (= normale) und eine hohe Form von Rändelmuttern. Die hohe Form hat unten einen runden Ansatz. Wenn Sie das passende Gegenstück auf der anderen Seite benötigen, können Sie auf Rändelschrauben zurückgreifen.

 

Unterschiedliche Werkstoffe von DIN 467 Rändelmuttern niedrige Form

Bei Rändelmuttern bieten wir neben Edelstahl Rostfrei A2 auch die Werkstoffe Messing, Stahl blank oder Stahl verzinkt an. Für optisch anspruchsvolle Anwendungen eignen sich besonders die Rändelmuttern in Messing oder Edelstahl, welche beide poliert und somit besonders schön aufbereitet werden können.

Alle Angaben ohne Gewähr, Gewährleistung oder Haftung.


Version 3.24.4 - Servername: WEBAPP11


 
 Warenkorb
Zur Kasse | Drucken
 
Ihr Warenkorb ist leer

DIN 912 Zylinderschrauben, mit Innensechskant

DIN 912 Zylinderschrauben, mit Innensechskant
 
Artikel-Nr. 2524-111
Werkstoff STAHL 8.8 - verzinkt
Norm DIN 912
Abmessung M 8 x 25

Art. Spanplattenschrauben, Innensechsrund (TX), Senkkopf, Teilgewinde, Importware

Art. Spanplattenschrauben, Innensechsrund (TX), Senkkopf, Teilgewinde, Importware
 
Artikel-Nr. 4289-012
Werkstoff ROSTFREI A4
Norm Art. 81938
Abmessung 6 x 55 TX

FISCHER Injektionsmörtel FIS EM S

FISCHER Injektionsmörtel FIS EM S
 
Artikel-Nr. 5736-270
Werkstoff MÖRTEL
Norm Art. 84701
Abmessung FIS EM S 390 ml
Unsere App - jetzt online!
NEU im Sortiment: Zusätzlich über 15.000 neue Kleinmengen
Zertifizierung

Kundenbewertungen (2.296)
So entstehen unsere Kundenbewertungen

Unsere Kundenbewertungen einschließlich der Sternebewertungen können nur nach Bestellabschluss erstellt werden.

Dadurch ist sichergestellt, dass unser Bestellprozess, unser Service sowie unsere Produkte von echten Kunden bewertet werden, die ihre Erfahrungen mit ihnen teilen möchten.


"Sehr freundliche und kompetente Unterstützung"
-

"Alles gut, bitte weiter so!"
- Michael Klemm

"Klasse...weiter so!!!!!!!"
-

"vielen Dank für die gute Telefonische Unterstützung!"
-

"Sie haben sich zur ersten Adresse für Schrauben entwickelt! Wir danken Ihnen. Gruß David Fuchs"
-

Unsere Cookie-Richtlinien

Wir nutzen Cookies, um unsere Seite für Sie bestmöglich zu gestalten und dauerhaft zu verbessern. Weitere Informationen erhalten Sie in unserer Datenschutzerklärung. Ohne Ihre Zustimmung werden nur technisch notwendige Cookies verwendet.
AKZEPTIEREN
ABLEHNEN