DIN 561 Sechskantschrauben mit Auslauf, Form B, Zapfen, kleinem Sechskant, Gewinde bis Kopf

DIN 561 Form B Sechskantschrauben mit Auslauf, Zapfen, kleinem Sechskant sind Schrauben mit Gewinde, bei denen der Kopf in Form eines Außensechskant geformt wurde. Sie besitzen keinen Antrieb im Kopf, hier ist der Kopf selbst der Antrieb der Schraube. Sie wird mit einem Ring- oder Gabelschlüssel bewegt. Sechskantschrauben werden häufig im Maschinen- und Anlagenbau oder mit Holzgewinde im Holzbau verwendet. mehr ...


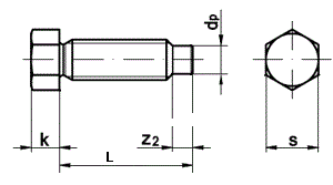
Technische Maße für DIN 561 Sechskantschrauben mit Auslauf, Form B, Zapfen, kleinem Sechskant, Gewinde bis Kopf

Legende:
Maße
= Durchmesser metrisches Gewinde (M) (Nennmaß)
k
= Höhe-Kopf
s
= Antrieb-Schlüsselweite
a (nur bei Form B )
= Länge-Schaft (gewindeloser Teil)
dp
= Durchmesser-Zapfen
z2
= Länge-Zapfen

Maße M 6 M 8 M 10 M 12 M 16 M 20 M 24 M 30
k 5 6 7 9 11 14 17 21
s 8 10 13 16 18 24 30 36
a (nur bei Form B ) 2,5 3 4 4 4,5 6 7 7,5
z2 3 4 5 6 8 10 12 15
dp 4 5,5 7 8,5 12 15 18 23

weitere Informationen

 

Merkmale DIN 561 Form B

Diese Sechskantschrauben ein Vollgewinde und einen Zapfen, der in ein vorgefertigtes Bohrloch eingleiten kann. Außerdem haben sie einen deutlich kleineren Sechskantkopf als gleiche Durchmesser und einen Auslauf.

 

Vorteile von Sechskantschrauben

Anders als bei Schrauben mit Schlitz oder Kreuzschlitz können Außensechskantschrauben auch eingesetzt werden, wenn der Schraubenkopf von oben nicht mehr erreichbar ist. Außerdem eignen sich Sechskantschrauben durch die relativ geringe Kopfhöhe, wenn Platzmangel herrscht.

Alle Angaben ohne Gewähr, Gewährleistung oder Haftung.


Version 3.24.4 - Servername: WEBAPP12


 
 Warenkorb
Zur Kasse | Drucken
 
Ihr Warenkorb ist leer

DIN 912 Zylinderschrauben, mit Innensechskant

DIN 912 Zylinderschrauben, mit Innensechskant
 
Artikel-Nr. 2534-282
Werkstoff ROSTFREI A2
Norm DIN 912
Abmessung M 3 x 12

Art. Senkkopf -Spanplattenschrauben Fräsrippen, Schneidkerbe, Innensechsrund (TX)

Art. Senkkopf -Spanplattenschrauben Fräsrippen, Schneidkerbe, Innensechsrund (TX)
 
Artikel-Nr. 4287-080
Werkstoff ROSTFREI A4
Norm Art. 81928
Abmessung 10 x 140 TX
Hier finden Sie das zuletzt angesehene Produkt
Unsere App - jetzt online!
NEU im Sortiment: Zusätzlich über 15.000 neue Kleinmengen
Zertifizierung

Kundenbewertungen (2.300)
So entstehen unsere Kundenbewertungen

Unsere Kundenbewertungen einschließlich der Sternebewertungen können nur nach Bestellabschluss erstellt werden.

Dadurch ist sichergestellt, dass unser Bestellprozess, unser Service sowie unsere Produkte von echten Kunden bewertet werden, die ihre Erfahrungen mit ihnen teilen möchten.


"Passt alles, was angeboten wird wird auch geliefert und das sehr schnell. Sehr gute Qualität"
- Klaus Lauber

"Seit 35 Jahren zufriedener Kunde"
- Jürgen Haus

"Hallo, für unseren kleinen Betrieb ist soweit alles in Ordnung. Wir sind sicher kein großer, aber ein langjähriger Kunde. Bitte weiter so. Thomas H. "
-

"Ihr seid prima! Die schnelle Lieferung spart Lagerkosten. Auch die Maßübersichten sind prima! Grade bei Normteilen ist es schön, so einen verläßlichen Lieferanten zu haben - eine Sorge weniger! "
-

"Bin seit Jahren Kunde bei Ihnen und war bisher immer zufrieden..."
- Wolfgang Kehl

Unsere Cookie-Richtlinien

Wir nutzen Cookies, um unsere Seite für Sie bestmöglich zu gestalten und dauerhaft zu verbessern. Weitere Informationen erhalten Sie in unserer Datenschutzerklärung. Ohne Ihre Zustimmung werden nur technisch notwendige Cookies verwendet.
AKZEPTIEREN
ABLEHNEN