DIN 6916 HV-Scheiben rund mit Fase

DIN 6916 Scheiben rund für HV-Verbindungen (>295 HV 10) sind runde, besonders harte, Unterlegscheiben für HV-Verbindungen. Eingesetzt werden Sie für I-Profilen im Maschinen- und Anlagenbau sowie im Metallbau. Die Scheibe hat ein rundes Innenloch und hat auf der Hinterseite eingebrachte Kerben. HV-Verbindungen sind hochfest vorspannbare Verbindungen, z. B. im Brückenbau. mehr ...


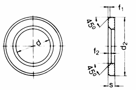
Technische Maße für DIN 6916 HV-Scheiben rund mit Fase

Legende:
Maße (d)
= Durchmesser-Innen (Nennmaß)
d2
= Durchmesser-Außen
s
= Stärke / Höhe
f1
= Höhe-Fase
f2
= Höhe-Fase

Maße (d) 13 17 21 23 25 28 31
für Gewinde M 12 M 16 M 20 M 22 M 24 M 27 M 30
d2 24 30 37 39 44 50 56
s 3 4 4 4 4 5 5
f1 0,5 1 1 1 1 1 1
f2 1,6 1,6 2 2 2 2,5 2,5

weitere Informationen

 

DIN 6916 Scheiben rund für HV-Verbindungen (>295 HV 10) bieten wir in Stahl C45 blank und Stahl C45 feuerverzinkt.

Alle Angaben ohne Gewähr, Gewährleistung oder Haftung.


Version 3.24.4 - Servername: WEBAPP12


 
 Warenkorb
Zur Kasse | Drucken
 
Ihr Warenkorb ist leer

DIN 934 Sechskantmuttern

DIN 934 Sechskantmuttern
 
Artikel-Nr. 2896-158
Werkstoff ROSTFREI A2
Norm DIN 934
Abmessung M 8

DIN 7504 Bohrschrauben N mit Linsenkopf, Blechschraubengewinde PH-Kreuzschlitz für Weichmetalle (Spitze aus Edelstahl)

DIN 7504 Bohrschrauben N mit Linsenkopf, Blechschraubengewinde PH-Kreuzschlitz für Weichmetalle (Spitze aus Edelstahl)
 
Artikel-Nr. 4261-023
Werkstoff ROSTFREI A2
Norm DIN 7504N
Abmessung N 5,5 x 50 H
Hier finden Sie das zuletzt angesehene Produkt
Unsere App - jetzt online!
NEU im Sortiment: Zusätzlich über 15.000 neue Kleinmengen
Zertifizierung

Kundenbewertungen (2.300)
So entstehen unsere Kundenbewertungen

Unsere Kundenbewertungen einschließlich der Sternebewertungen können nur nach Bestellabschluss erstellt werden.

Dadurch ist sichergestellt, dass unser Bestellprozess, unser Service sowie unsere Produkte von echten Kunden bewertet werden, die ihre Erfahrungen mit ihnen teilen möchten.


"Alles bestens schnelle Lieferungen"
- Marko Hanke

"Ich kaufe nun schon sehr lange bei Schrauben Wegertseder ein. Die Lieferung war immer sehr schnell und die Ware war wie beschrieben in hervorragender Qualität."
- Hartmund Lawrenz

"Ihr seid die Besten! So solle es sein, Germany statt China! DANKE!"
- Konrad Wagner

"Weiter so . . ."
-

"Bin seit Jahren Kunde bei Ihnen und war bisher immer zufrieden..."
- Wolfgang Kehl

Unsere Cookie-Richtlinien

Wir nutzen Cookies, um unsere Seite für Sie bestmöglich zu gestalten und dauerhaft zu verbessern. Weitere Informationen erhalten Sie in unserer Datenschutzerklärung. Ohne Ihre Zustimmung werden nur technisch notwendige Cookies verwendet.
AKZEPTIEREN
ABLEHNEN