DIN 6926 Sicherungs-Sechskantmuttern mit Flansch, ohne Rippen, mit Polyamid-Klemmteil
ähnlich EN 1663 Sicherungs-Muttern mit Flansch und Polyamid-Klemmteil: Schlüsselweite (SW) bei M 10 geändert

DIN 6926 Sicherungs-Muttern mit Flansch und Polyamid-Klemmteil sind selbstsichernde Sechskantmuttern mit einer am unteren Ende angebrachten vergrößerten Auflagefläche. Dadurch entsteht besserer Kontakt zwischen der Mutter und der Oberfläche, was einen besseren Halt zur Folge hat. Außerdem werden durch die größere Fläche Beschädigungen oder Abdrücke der Mutter auf weichen Metallen oder Kunststoffen vermieden. mehr ...


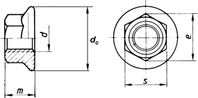
Technische Maße für DIN 6926 Sicherungs-Sechskantmuttern mit Flansch, ohne Rippen, mit Polyamid-Klemmteil

Legende:
Maße (d)
= Durchmesser für metrisches Maß (M) (Nennmaß)
m
= Höhe-Gesamt
s
= Schlüsselweite
e
= Eckenmaß
dc
= Durchmesser-Flansch

Maße (d) M 3 M 4 M 5 M 6 M 8 M 10 M 12
s 6 7 8 10 13 15 18
dc 7,8 10 11,8 14,2 17,9 21,8 26
m 3,8 6 7 9 10,9 13,2 16
e 6,33 7,66 8,79 11,05 14,38 16,64 20,03

weitere Informationen

 

Sicherungswirkung von DIN 6926 Sicherungs-Muttern mit Flansch und Polyamid-Klemmteil

Die Sicherungswirkung entsteht über ein Klemmteil aus Polyamid. Das Gewinde der Schraube verzahnt sich mit dem Polyamidklemmteil und geht eine Verbindung ein. Bei Umgebungen mit hoher Temperatur sollten Sie Muttern mit Vollmetallklemmteil verwenden, weil das Polyamid bei hohen Temperaturen weich wird oder sogar schmilzt.

 

Flanschmuttern und Sperrzähne

DIN 6926 Sicherungs-Muttern mit Flansch und Polyamid-Klemmteil haben keine Sperrzähne, welche eine zusätzliche Sicherungswirkung bieten würden.

 

Varianten und Werkstoffe von DIN 6926 Sicherungs-Muttern mit Flansch und Polyamid-Klemmteil

Im Außenbereich empfiehlt sich die Verwendung des Werkstoffes Rostfrei A2, weil es bei Kontakt mit Wasser oder dem Wasser in der Luft nicht rostet. Im maritimen Bereich entlang der Küsten oder bei Kontakt, auch nur kurzzeitigem, mit Salzwasser oder Säuren, sollte Edelstahl Rostfrei A4 verwendet werden. Für Anwendungen im Maschinenbau oder bei der Konstruktion setzt man Flanschmuttern mit erhöhter Festigkeit, z. B. Stahl Klasse 8 oder Klasse 10 ein. Diese Stähle sind auf Wunsch auch mit einem Korrosionsschutz, meist einer galvanischen Verzinkung, behandelt.

Alle Angaben ohne Gewähr, Gewährleistung oder Haftung.


Version 3.24.2 - Servername: WEBAPP11


 
 Warenkorb
Zur Kasse | Drucken
 
Ihr Warenkorb ist leer

DIN 125 Unterlegscheiben Form A

DIN 125 Unterlegscheiben Form A
 
Artikel-Nr. 1498-306
Werkstoff ROSTFREI A2
Norm DIN 125A
Abmessung A 8,4 f. M 8

Art. Thermoplasteschrauben Linsenkopf, Innensechsrund (TX), 30°

Art. Thermoplasteschrauben Linsenkopf, Innensechsrund (TX), 30°
 
Artikel-Nr. 3083-001
Werkstoff STAHL - schwarz verzinkt
Norm Art. 81952
Abmessung 2,5 x 5 TX

EN 1665 Sechskantschrauben mit Flansch

EN 1665 Sechskantschrauben mit Flansch
 
Werkstoff alle
Norm EN 1665
Abmessung M10
Unsere App - jetzt online!
NEU im Sortiment: Wir haben unser Dübelsortiment erweitert
Zertifizierung

Kundenbewertungen (2.156)
So entstehen unsere Kundenbewertungen

Unsere Kundenbewertungen einschließlich der Sternebewertungen können nur nach Bestellabschluss erstellt werden.

Dadurch ist sichergestellt, dass unser Bestellprozess, unser Service sowie unsere Produkte von echten Kunden bewertet werden, die ihre Erfahrungen mit ihnen teilen möchten.


"Anmerkung zur letzten Frage: bereits mehrfach weiterempfohlen"
-

"Alles gut, bitte weiter so!"
- Michael Klemm

"immer sehr gute Erklärung/Info, denn ich habe keinerlei technische Ausbildung, nur Hobby/Landwirtschaft"
- Friedrich Rauchenwald

"gern wieder"
- Sven Wallasch

"positiv"
-

Unsere Cookie-Richtlinien

Wir nutzen Cookies, um unsere Seite für Sie bestmöglich zu gestalten und dauerhaft zu verbessern. Weitere Informationen erhalten Sie in unserer Datenschutzerklärung. Ohne Ihre Zustimmung werden nur technisch notwendige Cookies verwendet.
AKZEPTIEREN
ABLEHNEN