DIN 71412 Kegelschmiernippel, kurz mit Sechskant, A= Kegelkopf gerade/axial

DIN 71412 Kegelschmiernippel, kurz mit Sechskant, A= Kegelkopf gerade/axial haben einen Kopf, der einem Kegel ähnelt, deshalb auch der Name. Sie haben einen geraden Kegelkopf, sind kurz gebaut und haben am Ansatz einen Außensechskant, mit dem sie festgezogen werden. Das Gewinde ist ein metrisches Regelgewinde (M). mehr ...


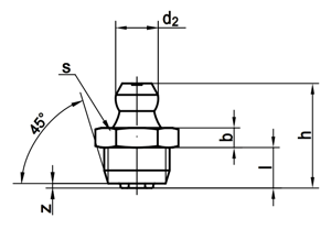
Technische Maße für DIN 71412 Kegelschmiernippel, kurz mit Sechskant, A= Kegelkopf gerade/axial

Legende:
h max
= Höhe-Gesamt
Maße
= Durchmesser für metrisches Maß (M) (Nennmaß)
s
= Antrieb-Schlüsselweite (SW)
b
= Tiefe-Antrieb
d2
= Durchmesser-Kegel
z max
= Länge-Zapfen
l
= Länge-Gewinde

Maße M 6x1 M 8x1 M 10x1 AR 1/8 AR 1/4
h max 16 16 16 16 16
l 5,5 5,5 5,5 5,5 5,5
d2 6,5 6,5 6,5 6,5 6,5
b 3 3 3 3 3
s 6/7 8/9 10/11 11 14
z max 0,7 0,7 0,7 0,7 0,7

weitere Informationen

 

Formen von DIN 71412 Kegelschmiernippeln

Kegelschmiernippel gibt es in drei Formen, A, B und C, mit gerader Form oder um 45° oder 90° abgewinkeltem Kegel. Schmiernippel sind kleine Stutzen, über die ein Lager mithilfe einer Festpresse mit Schmierstoff versorgt wird. Diesen Vorgang nennt man auch 'Abschmieren'. Am ehesten kann man Schmiernippel zu den Schrauben zählen, weil sie am unteren Ende ein Außengewinde haben, welches in ein passend gebohrtes Innengewinde eingeschraubt wird. Die Oberseite des Schmiernippels hat aber keine Ähnlichkeit mit einem Schraubenkopf. Im Inneren des Schmiernippels liegt eine Lagerkugel, welche das Öffnen und Schließen ermöglicht. Über einen Außensechskant kann der Schmiernippel z. B. mit einem Ring- oder Gabelschlüssel oder einer Stecknuss angezogen werden.

 

Wie sind Schmiernippel genormt?

Die Normung von Schmiernippeln erfolgt über zwei Normen. DIN 71412 beschreibt die Kegelschmiernippel. Der Name  Kegelschmiernippel stammt dabei vom oberen Teil des Schmiernippels, der wie der Schaft eines Kegels geformt ist. Kegelschmiernippel werden laut DIN in drei Formen genormt: Form A = gerade, Form B = gebogen um 45°, Form C = gebogen um 90°. Die zweite Variante sind DIN 3404 Flachschmiernippel. Sie haben oben einen flachen runden Kopf und eignen sich für Anwendungen, wo wenig Platz ist. Flachschmiernippel eignen sich auch für den versenkten Einbau.

 

Wie funktioniert ein DIN 71412 Kegelschmiernippel?

Der Zweck von Schmiernippeln ist es, gleitbare Teile mit Schmierstoff zu versorgen und, den Schmierstoff in der Maschine zu behalten. Über eine Fettpresse wird die Lagerkugel in den Schmiernippel gedrückt, die innenliegende Haltefeder wird zusammengedrückt. Dadurch kann über Druck an der Fettpresse Schmierstoff über den Schmiernippel ins Innere der Maschine gelangen. Sobald man die Fettpresse wieder vom Schmiernippel löst, schließt der Druck der Haltefeder die Lagerkugel und der Schmiernippel wird wieder geschlossen. Dadurch wird der Inhalt der Maschine vor Verschmutzung geschützt und der Schmierstoff am Herausfließen gehindert.

Alle Angaben ohne Gewähr, Gewährleistung oder Haftung.


Version 3.24.2 - Servername: WEBAPP11


 
 Warenkorb
Zur Kasse | Drucken
 
Ihr Warenkorb ist leer

DIN 934 Sechskantmuttern

DIN 934 Sechskantmuttern
 
Artikel-Nr. 2896-152
Werkstoff ROSTFREI A2
Norm DIN 934
Abmessung M 5

DIN 7500 Gewindefurchende Schrauben mit Senkkopf, PZ-Kreuzschlitz Form M

DIN 7500 Gewindefurchende Schrauben mit Senkkopf, PZ-Kreuzschlitz Form M
 
Artikel-Nr. 4255-017
Werkstoff ROSTFREI A2
Norm DIN 7500M
Abmessung MM 6 x 25 Z
Hier finden Sie das zuletzt angesehene Produkt
Unsere App - jetzt online!
NEU im Sortiment: Zusätzlich über 15.000 neue Kleinmengen
Zertifizierung

Kundenbewertungen (2.152)
So entstehen unsere Kundenbewertungen

Unsere Kundenbewertungen einschließlich der Sternebewertungen können nur nach Bestellabschluss erstellt werden.

Dadurch ist sichergestellt, dass unser Bestellprozess, unser Service sowie unsere Produkte von echten Kunden bewertet werden, die ihre Erfahrungen mit ihnen teilen möchten.


"Bin zwar nicht oft hier, aber immer sehr gerne :-)"
-

"Besten Dank"
- Jürgen Lingen

"Vor vielen Jahren habe ich das erste Mal bei Ihnen bestellt und war sehr zufrieden. Jetzt habe ich - endlich - ein Kundenkonto angelegt."
- Jürgen Schmidt

"weitermachen so."
- Richard Michl

"Ihr seid prima! Die schnelle Lieferung spart Lagerkosten. Auch die Maßübersichten sind prima! Grade bei Normteilen ist es schön, so einen verläßlichen Lieferanten zu haben - eine Sorge weniger! "
-

Unsere Cookie-Richtlinien

Wir nutzen Cookies, um unsere Seite für Sie bestmöglich zu gestalten und dauerhaft zu verbessern. Weitere Informationen erhalten Sie in unserer Datenschutzerklärung. Ohne Ihre Zustimmung werden nur technisch notwendige Cookies verwendet.
AKZEPTIEREN
ABLEHNEN