DIN 7990 HV-Sechskantschrauben mit Mutter

DIN 7990 Sechskantschrauben für Stahlkonstruktionen, mit Mutter sind Gewindeschrauben mit metrischen Regelgewinde (M) und Außensechskant-Kopf. Diese werden im Maschinen- und Anlagenbau sowie im Stahlbau eingesetzt ist. Sie besitzen keinen Antrieb im Kopf, hier ist der Kopf selbst der Antrieb der Schraube. Sie wird mit einem Ring- oder Gabelschlüssel bewegt. Diese Sechskant werden mit passenden Sechskantmuttern geliefert. mehr ...


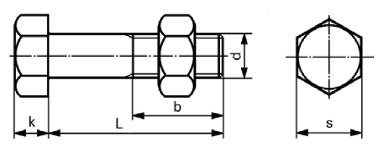
Technische Maße für DIN 7990 HV-Sechskantschrauben mit Mutter

Legende:
Maße (d)
= Durchmesser metrisches Gewinde (M) (Nennmaß)
k
= Höhe-Kopf
s
= Antrieb-Schlüsselweite
b
= Länge-Gewinde

Maße (d) M 12 M 16 M 20 M 22 M 24 M 27 M 30
s 19, ISO 18 24 30 32 36 41 46
k 8 10 13 14 15 17 19
b 20,5 24,5 28,5 30 33 35,5 38,5

weitere Informationen

 

Lieferbare Werkstoffe von DIN 7968 mit Mutter

Dieses Produkt bieten wir nur in Stahl 5.6 blank oder verzinkt und feuerverzinkt geliefert.

 

Vorteile von Sechskantschrauben

Anders als bei Schrauben mit Schlitz oder Kreuzschlitz können Außensechskantschrauben auch eingesetzt werden, wenn der Schraubenkopf von oben nicht mehr erreichbar ist. Außerdem eignen sich Sechskantschrauben durch die relativ geringe Kopfhöhe, wenn Platzmangel herrscht.

Alle Angaben ohne Gewähr, Gewährleistung oder Haftung.


Version 3.24.4 - Servername: WEBAPP12


 
 Warenkorb
Zur Kasse | Drucken
 
Ihr Warenkorb ist leer

DIN 912 Zylinderschrauben, mit Innensechskant

DIN 912 Zylinderschrauben, mit Innensechskant
 
Artikel-Nr. 2524-079
Werkstoff STAHL 8.8 - verzinkt
Norm DIN 912
Abmessung M 6 x 25

ISO 14581 Senkschrauben mit Innensechsrund (TX)

ISO 14581 Senkschrauben mit Innensechsrund (TX)
 
Artikel-Nr. 4669-081
Werkstoff ROSTFREI A4
Norm ISO 14581
Abmessung M 6 x 95 TX
Hier finden Sie das zuletzt angesehene Produkt
Unsere App - jetzt online!
NEU im Sortiment: Zusätzlich über 15.000 neue Kleinmengen
Zertifizierung

Kundenbewertungen (2.295)
So entstehen unsere Kundenbewertungen

Unsere Kundenbewertungen einschließlich der Sternebewertungen können nur nach Bestellabschluss erstellt werden.

Dadurch ist sichergestellt, dass unser Bestellprozess, unser Service sowie unsere Produkte von echten Kunden bewertet werden, die ihre Erfahrungen mit ihnen teilen möchten.


"Bitte Bitte Bitte so lassen!! Nix ändern!!"
- Uwe Krippner

"macht so weiter"
-

"Ich kaufe seit einigen Jahren nur noch über Ihren Shop die benötigten Schrauben und Normteile, da eigentlich jede Größe zu finden ist und die Lieferung sehr zügig geht."
-

"weitermachen so."
- Richard Michl

"Bin seit Jahren Kunde bei Ihnen und war bisher immer zufrieden..."
- Wolfgang Kehl

Unsere Cookie-Richtlinien

Wir nutzen Cookies, um unsere Seite für Sie bestmöglich zu gestalten und dauerhaft zu verbessern. Weitere Informationen erhalten Sie in unserer Datenschutzerklärung. Ohne Ihre Zustimmung werden nur technisch notwendige Cookies verwendet.
AKZEPTIEREN
ABLEHNEN