DIN 80704 Korbmuttern

Korbmuttern sind eine Sonderform der Muttern. Sie bestitzen ein metrisches Innengewinde und am oberen Ende einen zum Griff geformten Metallbügel. DIN 80704 ähnelt dabei sehr der Rundmutter, welche aber auf der oberseite den typischen Korb hat. Dadurch kann die Korbmutter einfach per Hand geöffnet und festgezogen werden. mehr ...


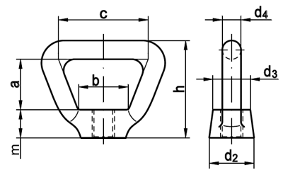
Technische Maße für DIN 80704 Korbmuttern

Legende:
Maße
= Durchmesser für metrisches Maß (M) (Nennmaß)
h
= Höhe-Gesamt
b
= Durchmesser-Ansatz oben
d2
= Durchmesser-Außen
m
= Höhe-Schweißbuckel
d3
= Durchmesser-Flansch
d4
= Stärke-Hut
c
= Breite
a
= lichte Weite

Maße M 6 M 8 M 10 M 12 M 16 M 20 M 22 M 24
a 15 20 25 27 29 32 32 36
b 14 18 23 27 32 36 36 45
c 25 32 42 48 56 64 64 75
d2 14 18 23 24 30 36 36 45
d3 11,5 15 18 20 24 28 28 36
d4 5 6,5 8 10 12 13 13 14
h 28 36 50 52 59 66 66 75
m 8 10 12 15 18 21 21 25

weitere Informationen

 

Unterschied Knebelmutter und Korbmutter

Bei den Knebelmuttern gibt es die DIN 6305 Knebelmuttern mit festem Knebel oder die DIN 6307 Knebelmuttern mit losem Knebel. Außerdem liefern wir passende Knebelschrauben, wahlweise mit oder ohne Knebel. Außerdem gibt es noch DIN 80701. Die Knebelmutter hat zwei gegenüberliegende Metallstäbe / Knebel, die Korbmutter eine Art Griff.

 

Verwendung von Korbmuttern

Korbmuttern werden oft in Produkten, Maschinen oder Verblendungen verwendet, die schnell aufgebaut oder abgebaut werden müssen. Der große Griff erleichtert die Öffnung per Hand. Abhängig vom Anwendungsgebiet können Sie Korbmuttern oder Knebelmuttern verwenden.

Alle Angaben ohne Gewähr, Gewährleistung oder Haftung.


Version 3.24.4 - Servername: WEBAPP11


 
 Warenkorb
Zur Kasse | Drucken
 
Ihr Warenkorb ist leer

DIN 912 Zylinderschrauben, mit Innensechskant

DIN 912 Zylinderschrauben, mit Innensechskant
 
Artikel-Nr. 2534-280
Werkstoff ROSTFREI A2
Norm DIN 912
Abmessung M 3 x 10

ISO 14581 Senkschrauben mit Innensechsrund (TX)

ISO 14581 Senkschrauben mit Innensechsrund (TX)
 
Artikel-Nr. 4669-100
Werkstoff ROSTFREI A4
Norm ISO 14581
Abmessung M 10 x 50 TX

ähnlich DIN 582 Ringmuttern

ähnlich DIN 582 Ringmuttern
 
Werkstoff alle
Norm DIN 582
Abmessung M10
Unsere App - jetzt online!
NEU im Sortiment: Zusätzlich über 15.000 neue Kleinmengen
Zertifizierung

Kundenbewertungen (2.295)
So entstehen unsere Kundenbewertungen

Unsere Kundenbewertungen einschließlich der Sternebewertungen können nur nach Bestellabschluss erstellt werden.

Dadurch ist sichergestellt, dass unser Bestellprozess, unser Service sowie unsere Produkte von echten Kunden bewertet werden, die ihre Erfahrungen mit ihnen teilen möchten.


"danke, alles super "
-

"Bin zwar nicht oft hier, aber immer sehr gerne :-)"
-

"Weiter so !"
-

"Bestelle immer wieder gerne mei Ihnen"
-

"war alles gut. Schwierigkeiten habe ich immer mal wieder (nicht nur bei euch) dadurch, dass die Nummern unterschiedlich heißen: - Bestellnummer, Artikelnummer - Auftragsnummer, Bestellnummer, Verwendungszweck"
- Matthias Schwarz

Unsere Cookie-Richtlinien

Wir nutzen Cookies, um unsere Seite für Sie bestmöglich zu gestalten und dauerhaft zu verbessern. Weitere Informationen erhalten Sie in unserer Datenschutzerklärung. Ohne Ihre Zustimmung werden nur technisch notwendige Cookies verwendet.
AKZEPTIEREN
ABLEHNEN