DIN 85 Flachkopfschrauben mit Schlitz
ähnlich ISO 1580 Flachkopfschrauben mit Schlitz: keine gravierenden Änderungen

haben ein metrisches Regelgewinde (M), deshalb der Name Gewindeschrauben, und einen Flachkopf. Der Flachkopf ist oben abgeflacht, was ihn vom Zylinderkopf unterscheidet. Diese Form der Gewindeschrauben ist schon sehr alt, was man an der zweistelligen DIN-Norm (DIN 85) erkennt. Heutzutage werden Schlitzschrauben nur noch selten, meist in historischen Anwendungen oder wenn die Schlitzform explizit gewünscht ist, verwendet. Neuere Antriebe wie Kreuzschlitze oder Innensechsrund (TX)® werden von den meisten Kunden in der Verarbeitung als angenehmer empfunden - so kann man dort z. B. nicht so leicht abrutschen wie am Schlitz. mehr ...


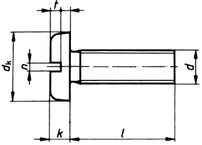
Technische Maße für DIN 85 Flachkopfschrauben mit Schlitz

Legende:
Maße (d)
= Durchmesser metrisches Gewinde (M) (Nennmaß)
dk
= Durchmesser-Kopf
k
= Höhe-Kopf
t min.
= Tiefe-Antrieb min.
t max.
= Tiefe-Antrieb max.
n
= Antrieb-Schlitz-Breite

Maße (d) M1,6 M2 M2,5 M3 M4 M5 M6 M8 M10
k 1 1,3 1,6 1,8 2,4 3 3,6 4,8 6
dk 3,2 4 4,5 6 8 10 12 16 20
t min. 0,35 0,5 0,7 0,7 1 1,2 1,5 1,9 2,4
t max. 0,5 0,7 0,9 0,95 1,3 1,5 1,9 2,4 3
n 0,4 0,5 0,6 0,8 1 1,2 1,6 2 2,5

weitere Informationen

 

Lieferbare Werkstoffe für DIN 85 Flachkopfschrauben mit Schlitz

Dieses Produkt liefern wir in vielen Werkstoffen. Darunter Messing, Kunststoff Polyamid natur oder schwarz, Stahl 4.8 blank oder verzinkt oder Edelstahl Rostfrei. Edelstahl Rostfrei A2 eignet sich für Anwendungen im Außenbereich aber ohne dauerhaften Kontakt mit Wasser. Edelstahl Rostfrei A4 verträgt Dauerkontakt mit Wasser, Salzwasser oder bestimmten Säuren. Alternativ erhalten Sie DIN 85 auch im seltenen und teuren Werkstoff Edelstahl Rostfrei A5, einem höchst-säurebeständigen Edelstahl.

Alle Angaben ohne Gewähr, Gewährleistung oder Haftung.


Version 3.24.4 - Servername: WEBAPP12


 
 Warenkorb
Zur Kasse | Drucken
 
Ihr Warenkorb ist leer

DIN 912 Zylinderschrauben, mit Innensechskant

DIN 912 Zylinderschrauben, mit Innensechskant
 
Artikel-Nr. 2524-040
Werkstoff STAHL 8.8 - verzinkt
Norm DIN 912
Abmessung M 5 x 10

DIN 7500 Gewindefurchende Schrauben mit Linsenkopf, PZ-Kreuzschlitz FORM C

DIN 7500 Gewindefurchende Schrauben mit Linsenkopf, PZ-Kreuzschlitz FORM C
 
Artikel-Nr. 4253-012
Werkstoff ROSTFREI A2
Norm DIN 7500C
Abmessung CM 6 x 8 Z
Hier finden Sie das zuletzt angesehene Produkt
Unsere App - jetzt online!
NEU im Sortiment: Zusätzlich über 15.000 neue Kleinmengen
Zertifizierung

Kundenbewertungen (2.295)
So entstehen unsere Kundenbewertungen

Unsere Kundenbewertungen einschließlich der Sternebewertungen können nur nach Bestellabschluss erstellt werden.

Dadurch ist sichergestellt, dass unser Bestellprozess, unser Service sowie unsere Produkte von echten Kunden bewertet werden, die ihre Erfahrungen mit ihnen teilen möchten.


"Wie immer schnell und gut, bitte weitermachen so"
-

"Sehr gut ist, dass man nach DIN-Nummern suchen kann und vor allem, dass man sich die DIN-Tabellen herunterladen kann. Aus diesem Grund bestelle ich immer wieder hier, da das andere nicht bieten."
- Matthias Zander

"Einfacher Bestellprozess wenn man mal herausgefunden hat, wie man wieder auf die Startseite mit der Produktübersicht zurückkommt... Hier wäre ein dauerhafter Link in der Navigationsspalte links hilfreich."
-

"Sehr freundlicher Kontakt mit Frau Stockbauer. Danke für die Hilfe."
-

"positiv"
-

Unsere Cookie-Richtlinien

Wir nutzen Cookies, um unsere Seite für Sie bestmöglich zu gestalten und dauerhaft zu verbessern. Weitere Informationen erhalten Sie in unserer Datenschutzerklärung. Ohne Ihre Zustimmung werden nur technisch notwendige Cookies verwendet.
AKZEPTIEREN
ABLEHNEN