DIN 908 Verschlussschrauben mit Bund und Innensechskant, zylindrisches FEIN-Gewinde

DIN 908 Verschlußschrauben mit Bund und Innensechskant, zylindrisches FEIN-Gewinde sind eine Sonderform der Schrauben, die auf der einen Seite einen Kopf mit Antrieb und auf der anderen Seite ein Gewinde haben. Eingesetzt werden sie z. B. als Ölablassschrauben bei Motoren, zur Schmierung oder Dichtung von Löchern an Bauteilen. Sie haben ein zylindrisches FEIN-Gewinde. Der Bund vergrößert die Auflagefläche und sorgt für eine bessere Abdeckung des Bohrlochs oder einer höheren Kraftübertragung. mehr ...


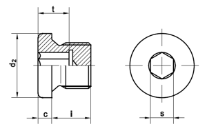
Technische Maße für DIN 908 Verschlussschrauben mit Bund und Innensechskant, zylindrisches FEIN-Gewinde

Legende:
d2
= Durchmesser-Kopf
c
= Höhe-Kopf
s
= Antrieb-Schlüsselweite
t min
= Antrieb-Tiefe
Maße
= Durchmesser Gewinde (Nennmaß)
i
= Länge-Einschraubzapfen

MaßeM 8 x 1 *M 10 x 1M 12 x 1,5M 14 x 1,5M 16 x 1,5M 18 x 1,5M 20 x 1,5M 22 x 1,5M 24 x 1,5M 26 x 1,5M 27 x 1,5M 30 x 1,5
s556688101012121217
t min2,45777,57,57,57,57,5999
d2121417192123252729313236
c333434444444
i8812121212141414161616
MaßeM 30 x 2M 33 x 2M 36 x 1,5M 36 x 2M 38 x 1,5M 42 x 1,5M 45 x 1,5M 48 x 1,5M 52 x 1,5M 52 x 2M 56 x 2M 64 x 2
s171719191922222424323232
t min9910,510,510,510,510,510,510,510,51414
d2363942424249525560647272
c455555555555
i161616161616161616162020
MaßeG 1/8 AG 1/4 AG 3/8 AG 1/2 AG 3/4 AG 1 AG 1 1/8 AG 1 1/4 AG 1 1/2 AG 1 3/4 AG 2 A 
s5681012171922243232 
t min577,57,59910,510,510,51414 
d21418222632394449556268 
c33344555555 
i812121416161616162020 

weitere Informationen

 

Kopfform und Antrieb

Diese Verschlussschrauben haben einen Innensechskant. Dieser muss von oben zugängig sein und wird mit einem T-Griff-Schraubendreher oder einem Winkelstiftschlüssel verarbeitet. Die Bauform der DIN 906 Verschlußschrauben mit Innensechskant, kegeliges FEIN-Gewinde ist sehr klein.

Alle Angaben ohne Gewähr, Gewährleistung oder Haftung.


Version 3.24.2 - Servername: WEBAPP11


 
 Warenkorb
Zur Kasse | Drucken
 
Ihr Warenkorb ist leer

DIN 912 Zylinderschrauben, mit Innensechskant

DIN 912 Zylinderschrauben, mit Innensechskant
 
Artikel-Nr. 2524-047
Werkstoff STAHL 8.8 - verzinkt
Norm DIN 912
Abmessung M 5 x 25

Art. AFNOR-Scheiben Form LL

Art. AFNOR-Scheiben Form LL
 
Artikel-Nr. 4248-007
Werkstoff ROSTFREI A2
Norm Art. 81783
Abmessung LL 30
Hier finden Sie das zuletzt angesehene Produkt
Unsere App - jetzt online!
Die Wegertseder-App: Immer und überall bequem bestellen
Zertifizierung

Kundenbewertungen (2.156)
So entstehen unsere Kundenbewertungen

Unsere Kundenbewertungen einschließlich der Sternebewertungen können nur nach Bestellabschluss erstellt werden.

Dadurch ist sichergestellt, dass unser Bestellprozess, unser Service sowie unsere Produkte von echten Kunden bewertet werden, die ihre Erfahrungen mit ihnen teilen möchten.


"Wie immer schnell und gut, bitte weitermachen so"
-

"ch bestelle hier schon seit Jahren und wurde noch nie enttäuscht. Die Qualität der Produkte ist durchweg hervorragend, der Versand zuverlässig und der Kundenservice freundlich und kompetent. Ein Shop, dem ich voll und ganz vertraue!"
-

"Einfacher Bestellprozess wenn man mal herausgefunden hat, wie man wieder auf die Startseite mit der Produktübersicht zurückkommt... Hier wäre ein dauerhafter Link in der Navigationsspalte links hilfreich."
-

"Hervorragend!"
-

"Bitte Bitte Bitte so lassen!! Nix ändern!!"
- Uwe Krippner

Unsere Cookie-Richtlinien

Wir nutzen Cookies, um unsere Seite für Sie bestmöglich zu gestalten und dauerhaft zu verbessern. Weitere Informationen erhalten Sie in unserer Datenschutzerklärung. Ohne Ihre Zustimmung werden nur technisch notwendige Cookies verwendet.
AKZEPTIEREN
ABLEHNEN