DIN 921 Flachkopfschrauben mit Schlitz, großem Kopf

DIN 921 Flachkopfschrauben mit Schlitz und großem Kopf haben ein metrisches Regelgewinde (M), deshalb der Name Gewindeschrauben, und einen Flachkopf. Der Flachkopf ist oben abgeflacht, was ihn vom Zylinderkopf unterscheidet. Heutzutage werden Schlitzschrauben nur noch selten, meist in historischen Anwendungen oder wenn die Schlitzform explizit gewünscht ist, verwendet. Neuere Antriebe wie Kreuzschlitze oder Innensechsrund (TX)® werden von den meisten Kunden in der Verarbeitung als angenehmer empfunden - so kann man dort z. B. nicht so leicht abrutschen wie am Schlitz. mehr ...


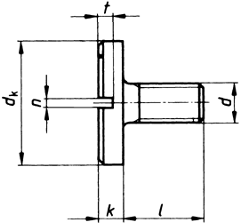
Technische Maße für DIN 921 Flachkopfschrauben mit Schlitz, großem Kopf

Legende:
d
= Durchmesser metrisches Gewinde (M) (Nennmaß)
dk max.
= Durchmesser-Kopf
k
= Höhe-Kopf
t min.
= Antrieb-Schlitz-Tiefe
n
= Antrieb-Schlitz-Breite

d M 1,6 M 2 M 2,5 M 3 M 4 M 5 M 6
t min. 0,5 0,6 0,75 0,9 1,2 1,3 1,5
n 0,4 0,5 0,6 0,8 1 1,2 1,6
k 1 1,2 1,5 1,8 2,4 2,7 3,1
dk max. 5 6 7 8 12 16 20

weitere Informationen

 

Besonderheit der DIN 921 Flachkopfschrauben mit Schlitz und großem Kopf

An diesen Schrauben ist der große Kopf besonders. Anders als bei vergleichbaren Gewindeschrauben hat dieser einen sehr großen Außendurchmesser. Der große Kopf eignet sich für Anwendungen im Maschinen- und Anlagenbau oder der Elektroindustrie, wo entweder die abdeckende Eigenschaft oder die Optik gewünscht wird. Außerdem haben diese Schrauben fast keinen gewindelosen Teil zwischen Kopfansatz und Gewinde.

 

Lieferbare Werkstoffe für DIN 921 Flachkopfschrauben mit Schlitz, großem Kopf sind Stahl blank, Stahl verzinkt und Edelstahl Rostfrei A1.

Alle Angaben ohne Gewähr, Gewährleistung oder Haftung.


Version 3.24.4 - Servername: WEBAPP11


 
 Warenkorb
Zur Kasse | Drucken
 
Ihr Warenkorb ist leer

DIN 125 Unterlegscheiben Form A Stahl Klasse 140 HV

DIN 125 Unterlegscheiben Form A Stahl Klasse 140 HV
 
Artikel-Nr. 1490-218
Werkstoff STAHL - verzinkt
Norm DIN 125A
Abmessung A 10,5 f. M 10

DIN 7504 Bohrschrauben N mit Linsenkopf, Blechschraubengewinde PH-Kreuzschlitz für Weichmetalle (Spitze aus Edelstahl)

DIN 7504 Bohrschrauben N mit Linsenkopf, Blechschraubengewinde PH-Kreuzschlitz für Weichmetalle (Spitze aus Edelstahl)
 
Artikel-Nr. 4261-016
Werkstoff ROSTFREI A2
Norm DIN 7504N
Abmessung N 5,5 x 19 H
Hier finden Sie das zuletzt angesehene Produkt
Unsere App - jetzt online!
NEU im Sortiment: Zusätzlich über 15.000 neue Kleinmengen
Zertifizierung

Kundenbewertungen (2.295)
So entstehen unsere Kundenbewertungen

Unsere Kundenbewertungen einschließlich der Sternebewertungen können nur nach Bestellabschluss erstellt werden.

Dadurch ist sichergestellt, dass unser Bestellprozess, unser Service sowie unsere Produkte von echten Kunden bewertet werden, die ihre Erfahrungen mit ihnen teilen möchten.


"es gibt keine z.B. Abstandshülsen Sehr gut sind die DIN/ISO Pdfs der Materialdaten "
- Matthias Zander

"Sehr freundliche und kompetente Unterstützung"
-

"Anmerkung zur letzten Frage: bereits mehrfach weiterempfohlen"
-

"war alles gut. Schwierigkeiten habe ich immer mal wieder (nicht nur bei euch) dadurch, dass die Nummern unterschiedlich heißen: - Bestellnummer, Artikelnummer - Auftragsnummer, Bestellnummer, Verwendungszweck"
- Matthias Schwarz

"Klasse WebShop! Kurz war ich verunsichert, wie ich die Menge anzugeben habe: Nach Paket oder tatsächliche Stückzahl. Aber da kommt man schnell dahinter. Wie gesagt - KLASSE!"
- Eberhard Stollsteimer

Unsere Cookie-Richtlinien

Wir nutzen Cookies, um unsere Seite für Sie bestmöglich zu gestalten und dauerhaft zu verbessern. Weitere Informationen erhalten Sie in unserer Datenschutzerklärung. Ohne Ihre Zustimmung werden nur technisch notwendige Cookies verwendet.
AKZEPTIEREN
ABLEHNEN