DIN 963 Senkschrauben mit Schlitz
ähnlich ISO 2009 Senkschrauben mit Schlitz: Kopfhöhen (k) und Kopfdurchmesser (dk) ab M 3 geändert

sind Gewindeschrauben mit metrischen Regelgewinde (M) und einem versenkbaren Senkkopf. Der Senkkopf sorgt dafür, dass die Schraube - wenn vorgesenkt wurde - plan mit dem Untergrund abschließt. Außerdem erreicht man dadurch eine bessere Verbindung, da die Schraube in das Material eintaucht. Als Antrieb haben sie einen Längsschlitz, der immer seltener eingesetzt wird. mehr ...


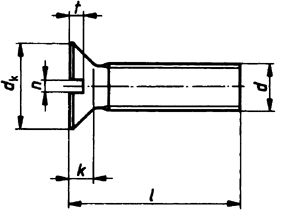
Technische Maße für DIN 963 Senkschrauben mit Schlitz

Legende:
Maße (d)
= Durchmesser metrisches Gewinde (M) (Nennmaß)
dk
= Durchmesser-Kopf
k max.
= Höhe-Kopf
t max.
= Antrieb-Schlitz-Tiefe
n
= Antrieb-Schlitz-Breite

Maße (d) M 1 M 1,2 M 1,4 M 1,6 M 1,7 M 2 M 2,3 M 2,5 M 2,6 M 3 M 4 M 5 M 6 M 8 M 10 M 12
k max. 0,6 0,72 0,84 0,96 1,1 1,2 1,3 1,5 1,4 1,65 2,2 2,5 3 4 5 6
t max. 0,3 0,35 0,4 0,45 0,5 0,6 0,65 0,7 0,8 0,85 1,1 1,3 1,6 2,1 2,6 3
n 0,25 0,3 0,3 0,4 0,5 0,5 0,6 0,6 0,6 0,8 1 1,2 1,6 2 2,5 3
dk 1,9 2,3 2,6 3 3,5 3,8 4,5 4,7 5 5,6 7,5 9,2 11 14,5 18 22

weitere Informationen

 

Wo werden DIN 963 Senkschrauben mit Schlitz verwendet?

Häufig werden DIN 963 Senkschrauben mit Schlitz im Maschinen- und Anlagenbau, Elektrotechnik, Modellbau oder für Oldtimer-Autos oder Motorräder zum Verschrauben von Bauteilen, Verkleidungen oder Gehäusen verwendet.

 

Rosetten als Zubehör für Senkschrauben

Zur Vergrößerung der Auflagefläche und als optisches Element werden Senkschrauben häufig in Verbindung mit Rosetten verarbeitet. Dies kann über gestanzte (günstigere) oder Rosetten aus Vollmetall erfolgen. Wir bieten auch Senkrosetten.

 

Lieferbare Werkstoffe für DIN 963 Senkschrauben mit Schlitz

Diese Schraube bieten wir in sehr vielen Werkstoffen an. So z. B. Messing blank, blank gedreht oder Messing vernickelt. Ebenso in Polyamid natur (Farbton circa Hautfarben), Stahl 4.8 blank, blank gedreht oder gelb verzinkt sowie hochfestem Stahl der Klasse 8.8. Edelstahl Rostfrei A2 eignet sich für Anwendungen im Außenbereich aber ohne dauerhaften Kontakt mit Wasser. Edelstahl Rostfrei A4 verträgt Dauerkontakt mit Wasser, Salzwasser oder bestimmten Säuren. Edelstahl Rostfrei A1 ist ein etwas weicherer Werkstoff, in welchem wir diese Schraube auch anbieten.

Alle Angaben ohne Gewähr, Gewährleistung oder Haftung.


Version 3.24.4 - Servername: WEBAPP12


 
 Warenkorb
Zur Kasse | Drucken
 
Ihr Warenkorb ist leer

DIN 912 Zylinderschrauben, mit Innensechskant

DIN 912 Zylinderschrauben, mit Innensechskant
 
Artikel-Nr. 2524-073
Werkstoff STAHL 8.8 - verzinkt
Norm DIN 912
Abmessung M 6 x 12

DIN 7504 Bohrschrauben N mit Linsenkopf, Blechschraubengewinde PH-Kreuzschlitz für Weichmetalle (Spitze aus Edelstahl)

DIN 7504 Bohrschrauben N mit Linsenkopf, Blechschraubengewinde PH-Kreuzschlitz für Weichmetalle (Spitze aus Edelstahl)
 
Artikel-Nr. 4261-024
Werkstoff ROSTFREI A2
Norm DIN 7504N
Abmessung N 5,5 x 60 H

ISO 7089 Scheiben, gehärtet, gestanzt, ohne Fase, Produktklasse A(m) 200 HV

ISO 7089 Scheiben, gehärtet, gestanzt, ohne Fase, Produktklasse A(m) 200 HV
 
Artikel-Nr. 4964-307
Werkstoff STAHL 200 HV - vernickelt
Norm ISO 7089
Abmessung 6,4 f. M 6
Unsere App - jetzt online!
Die Wegertseder-App: Immer und überall bequem bestellen
Zertifizierung

Kundenbewertungen (2.299)
So entstehen unsere Kundenbewertungen

Unsere Kundenbewertungen einschließlich der Sternebewertungen können nur nach Bestellabschluss erstellt werden.

Dadurch ist sichergestellt, dass unser Bestellprozess, unser Service sowie unsere Produkte von echten Kunden bewertet werden, die ihre Erfahrungen mit ihnen teilen möchten.


"besten Dank, weiter so: :)"
- Jürgen Lingen

"Wie immer TOP! Weiter so :-) MFG "
-

"Sehr freundlicher Kontakt mit Frau Stockbauer. Danke für die Hilfe."
-

"Es funktioniert einfach, im wahsten Sinne des Wortes - Vielen Dank dafür."
-

"Ich habe bis heute noch nichts zu Beanstanden."
- Richard Fiedler jun.

Unsere Cookie-Richtlinien

Wir nutzen Cookies, um unsere Seite für Sie bestmöglich zu gestalten und dauerhaft zu verbessern. Weitere Informationen erhalten Sie in unserer Datenschutzerklärung. Ohne Ihre Zustimmung werden nur technisch notwendige Cookies verwendet.
AKZEPTIEREN
ABLEHNEN