Nieten und Blindniettechnik

Runde Dichtnieten mit Flachkopf sind im Wesentlichen Blindnieten, die eine dichtende Eigenschaft besitzen. Hier ist das verdickte Ende des Dorns nicht sichtbar, da es vom Körper der Niete vollständig umschlossen wird. Dicht-Blindnieten sind eine spezielle Form des Hohlniets,  die über eine spezielle Blindnietzange verarbeitet werden und zur Verarbeitung nur Zugang zu einer Seite des Bauteils benötigen, das verbunden werden soll. Sie werden auch als Popniet(en) oder Zugdornniet(en) bezeichnet. Der Flachkopf liegt nach dem Nietvorgang auf dem Untergrund auf. mehr ...


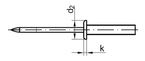
Technische Maße für Nieten und Blindniettechnik

Legende:
Maße
= Durchmesser (Nennmaß)
D2
= Durchmesser-Kopf
Klemmbereich
= Klemmbereich
k
= Höhe-Kopf
Länge
= Länge-Gesamt
Lochdurchmesser
= Durchmesser-Vorbohren
d
= Durchmesser-Stift

Maße3,23,23,23,23,23,23,2444
Länge6,57,589,510,51112,589,511
Klemmbereich0,5-2,01,0-3,01,5-3,03,0-5,05,0-6,54,5-6,56,0-8,00,5-3,03,0-5,04,5-6,5
D26666666888
Lochdurchmesser3,33,33,33,33,33,33,34,14,14,1
d1,71,71,71,71,71,71,72,22,22,2
k0,80,80,80,80,80,80,81,31,31,3
Maße44,84,84,84,84,84,84,84,8 
Länge12,589,51112,514161821 
Klemmbereich6,0-8,01,0-3,03,0-5,04,5-6,56,0-8,07,5-9,59,0-11,010,5-13,013,0-16,0 
D289,59,59,59,59,59,59,59,5 
Lochdurchmesser4,14,94,94,94,94,94,94,94,9 
d2,22,72,72,72,72,72,72,72,7 
k1,31,51,51,51,51,51,51,51,5 

weitere Informationen

 

Dicht-Blindnieten und deren Verwendungszweck

Typische Einsatzbereiche von dichtenden Blindnieten sind alle Verbindungen von zwei Blechen, Gehäusen oder sonstigen Materialien, die luft- und oder wasserdicht sein sollen. Einsatz finden Blindnieten im Flugzeugbau, PKW- , LKW-, Kfz-Bereich, dem Maschinen- und Anlagenbau, der Modellbautechnik oder im Schiffsbau. Anders als eine Schraubverbindung können Blindnietverbindungen zwar schneller hergestellt, aber auch deutlich schwieriger wieder gelöst werden.

 

Montage von Dicht-Blindnieten mit Flachkopf

Zur Befestigung einer Blindniete muss zunächst ein Loch passend zum Durchmesser der Niete gebohrt werden, durch welches der Niet mit dem Dorn eingesteckt wird. Mit Hilfe einer Blindnietzange wird der hervorstehende Dorn, das Ende der Niete, nach Außen gezogen. Durch diesen Vorgang kommt es zu einer Verformung des oberen Teils der Blindniete (dem Niet), welcher dann einen Wulst bildet und so die Bauteile verbindet. Nachdem die Verbindung hergestellt ist, reißt der Dorn entlang einer bereits in der Blindniete vorhandenen Sollbruchstelle ab.

 

Material und Werkstoffe bei Dicht-Blindnieten mit Flachkopf

Die Angabe des Werkstoffs bei Blindnieten ist immer zweiteilig, z.B. Stahl-Stahl. Der erste Werkstoff steht für den Niet, also den "oberen" Teil der Blindniete, der sich später zu einer Wulst umformt. Der zweite Teil hinter dem Bindestrich steht für den Werkstoff des Dorns, an dem später die Blindniete mit der Blindnietzange angezogen wird. Da Wasserkontakt besteht, ist Edelstahl Rostfrei A2 oder A4 empfehlenswert.

Alle Angaben ohne Gewähr, Gewährleistung oder Haftung.


Version 3.24.2 - Servername: WEBAPP11


 
 Warenkorb
Zur Kasse | Drucken
 
Ihr Warenkorb ist leer

DIN 985 Sechskantmuttern, Polyamidklemmteil, niedrige Form (=Standard)

DIN 985 Sechskantmuttern, Polyamidklemmteil, niedrige Form (=Standard)
 
Artikel-Nr. 3346-232
Werkstoff ROSTFREI A2
Norm DIN 985
Abmessung M 3

ISO 7380 Flachkopfschrauben mit Innensechsrund (TX)

ISO 7380 Flachkopfschrauben mit Innensechsrund (TX)
 
Artikel-Nr. 4251-044
Werkstoff ROSTFREI A4
Norm ISO 7380TX
Abmessung M 4 x 25 TX
Hier finden Sie das zuletzt angesehene Produkt
Unsere App - jetzt online!
Die Wegertseder-App: Lagernde Artikel sofort im Blick durch Verfügbarkeits-Info
Zertifizierung

Kundenbewertungen (2.139)
So entstehen unsere Kundenbewertungen

Unsere Kundenbewertungen einschließlich der Sternebewertungen können nur nach Bestellabschluss erstellt werden.

Dadurch ist sichergestellt, dass unser Bestellprozess, unser Service sowie unsere Produkte von echten Kunden bewertet werden, die ihre Erfahrungen mit ihnen teilen möchten.


"Alles bestens schnelle Lieferungen"
- Marko Hanke

"War schon Kunde mit anderer Firma bei Ihnen, von daher ist mir Fa. Wegertseder ein Begriff für Schrauben unterschiedlichster Art."
-

"Ihr seid prima! Die schnelle Lieferung spart Lagerkosten. Auch die Maßübersichten sind prima! Grade bei Normteilen ist es schön, so einen verläßlichen Lieferanten zu haben - eine Sorge weniger! "
-

"Bin seit Jahren Kunde bei Ihnen und war bisher immer zufrieden..."
- Wolfgang Kehl

"vielen Dank für die gute Telefonische Unterstützung!"
-

Unsere Cookie-Richtlinien

Wir nutzen Cookies, um unsere Seite für Sie bestmöglich zu gestalten und dauerhaft zu verbessern. Weitere Informationen erhalten Sie in unserer Datenschutzerklärung. Ohne Ihre Zustimmung werden nur technisch notwendige Cookies verwendet.
AKZEPTIEREN
ABLEHNEN