kurz

ENSAT Gewindeeinsätze Typ 307, KURZ, selbstschneidend, Schneidbohrungen dienen zur Herstellung von Innengewinden für Schraubverbindungen in Werkstücken, indem ein Hohlzylinder in das Material eingesetzt wird, der selbst ein Innengewinde hat. Selbstschneidende Gewindeeinsätze benötigen ein rund gebohrtes Loch und schneiden sich selbst in das Material. Auf deren Innenseite befindet sich dann das gewünschte metrische Gewinde. ENSAT® ist dabei ein Handelsname eines Herstellers. Die Gewindeeinsätze sind KURZ, es gibt sie aber auch als LANG-Version. mehr ...


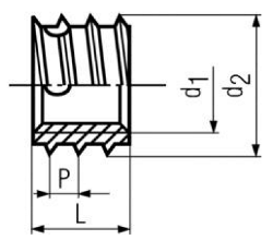
Technische Maße für kurz

Legende:
Maße (d1)
= Durchmesser für metrisches Maß (M) (Nennmaß)
Bohrloch-Tiefe min.
= Tiefe-Bohrloch
L
= Länge-Gesamt
d2
= Durchmesser-Außen
P
= Gewindesteigung

Maße (d1) M3,5 M4 M5 M6 M8 M10 M12 M14
P 0,8 0,8 1 1,25 1,5 1,5 1,75 2
d2 6 6,5 8 10 12 14 16 18
L 5 6 7 8 9 10 12 14
Bohrloch-Tiefe min. 7 8 9 10 11 13 15 17

weitere Informationen

 

Arten von selbstschneidenden Gewindeeinsätzen

Bei den selbstschneidenden Gewindeeinsätzen gibt es drei Arten. Die Standard-Form hat eine normale, gebräuchliche Länge. Dann gibt es besonders lange oder besonders kurze selbstschneidenden Gewindeeinsätze. Wir liefern diese in Stahl gelb verzinkt oder rostfrei im Werkstoff Edelstahl Rostfrei A1. Dieser Edelstahl A1 ist weicher als der Edelstahl A2 oder A4. Für selbstschneidenden Gewindeeinsätze gibt es bei uns auch passendes Eindrehwerkzeug.

 

Regelgewinde oder Feingewinde bei Gewindeeinsätzen

Abhängig davon, welche Anforderung Sie an das Gewinde haben, bieten wir Gewindeeinsätze mit metrischem Regelgewinde (M) oder metrischem Feingewinde (Mf) an. Feingewinde hat bei gleicher Länge mehr Gewindegänge. Dadurch dichtet Feingewinde mehr ab als Regelgewinde.

Alle Angaben ohne Gewähr, Gewährleistung oder Haftung.


Version 3.24.2 - Servername: WEBAPP11


 
 Warenkorb
Zur Kasse | Drucken
 
Ihr Warenkorb ist leer

DIN 7991 Senkschrauben mit Innensechskant

DIN 7991 Senkschrauben mit Innensechskant
 
Artikel-Nr. 2608-680
Werkstoff ROSTFREI A2
Norm DIN 7991
Abmessung M 3 x 6

Art. PAN-HEAD-Spanplattenschrauben, Innensechsrund (TX), Importware

Art. PAN-HEAD-Spanplattenschrauben, Innensechsrund (TX), Importware
 
Artikel-Nr. 4283-028
Werkstoff ROSTFREI A4
Norm Art. 81900
Abmessung 6 x 55 TX

Kleinsortiment im PVC-Kasten

Artikel-Nr. 7400-130
Werkstoff SORTIMENTE SAMMELWERKSTOFF
Norm Art. 81545
Unsere App - jetzt online!
NEU im Sortiment: Zusätzlich über 15.000 neue Kleinmengen
Zertifizierung

Kundenbewertungen (2.152)
So entstehen unsere Kundenbewertungen

Unsere Kundenbewertungen einschließlich der Sternebewertungen können nur nach Bestellabschluss erstellt werden.

Dadurch ist sichergestellt, dass unser Bestellprozess, unser Service sowie unsere Produkte von echten Kunden bewertet werden, die ihre Erfahrungen mit ihnen teilen möchten.


"Wie immer schnell und gut, bitte weitermachen so"
-

"Ich kaufe nun schon sehr lange bei Schrauben Wegertseder ein. Die Lieferung war immer sehr schnell und die Ware war wie beschrieben in hervorragender Qualität."
- Hartmund Lawrenz

"Ich bin immer wieder bestens bedient! Danke"
- Erik Fischer

"Seit 35 Jahren zufriedener Kunde"
- Jürgen Haus

"Leider sind nicht alle Dinge im Onlineshop bestellbar"
- Stefan Wilhelm

Unsere Cookie-Richtlinien

Wir nutzen Cookies, um unsere Seite für Sie bestmöglich zu gestalten und dauerhaft zu verbessern. Weitere Informationen erhalten Sie in unserer Datenschutzerklärung. Ohne Ihre Zustimmung werden nur technisch notwendige Cookies verwendet.
AKZEPTIEREN
ABLEHNEN