ISO 1207 Zylinderschrauben mit Schlitz
ähnlich DIN 84 Zylinderschrauben mit Schlitz: keine gravierenden Änderungen

haben ein metrisches Regelgewinde (M), deshalb der Name Gewindeschrauben, und einen Zylinderkopf. Der Zylinderkopf ist oben nicht abgeflacht sondern durchgehend wie ein Zylinder geformt, was ihn vom Flachkopf unterscheidet. Heutzutage werden Schlitzschrauben nur noch selten, meist in historischen Anwendungen oder wenn die Schlitzform explizit gewünscht ist, verwendet. Neuere Antriebe wie Kreuzschlitze oder Innensechsrund (TX)® werden von den meisten Kunden in der Verarbeitung als angenehmer empfunden - so kann man dort z. B. nicht so leicht abrutschen wie am Schlitz. mehr ...


Technische Maße für ISO 1207 Zylinderschrauben mit Schlitz

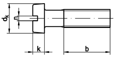
Legende:
Maße
= Durchmesser metrisches Gewinde (M) (Nennmaß)
dk
= Durchmesser-Kopf
k
= Höhe-Kopf
b
= Länge-Gewinde
n
= Antrieb-Schlitz-Breite

MaßeM 1M 1,2M 1,4M 1,6M 1,8M 2M 2,5M 3
dk22,32,633,43,84,55,5
k0,70,80,91,11,21,31,62
n0,250,30,30,40,40,50,60,8
b2525252525252525
MaßeM 3,5M 4M 5M 6M 8M 10  
dk678,5101316  
k2,42,63,33,956  
n11,21,21,622,5  
b383838383838  

weitere Informationen

 

Lieferbare Werkstoffe für ISO 1207 Zylinderschrauben mit Schlitz

Dieses Produkt liefern wir in vielen Werkstoffen. Darunter Messing, Kunststoff Polyamid natur, Stahl 4.8 blank - gelb verzinkt - vernickelt aber auch hochfestem Stahl 5.8 oder 8.8 verzinkt. Ebenfalls liefern wir DIN 84 Zylinderschrauben mit Schlitz in Edelstahl. Edelstahl Rostfrei A2 eignet sich für Anwendungen im Außenbereich aber ohne dauerhaften Kontakt mit Wasser. Edelstahl Rostfrei A4 verträgt Dauerkontakt mit Wasser, Salzwasser oder bestimmten Säuren.

Alle Angaben ohne Gewähr, Gewährleistung oder Haftung.


Version 3.24.2 - Servername: WEBAPP11


 
 Warenkorb
Zur Kasse | Drucken
 
Ihr Warenkorb ist leer

DIN 125 Unterlegscheiben Form A Stahl Klasse 140 HV

DIN 125 Unterlegscheiben Form A Stahl Klasse 140 HV
 
Artikel-Nr. 1490-220
Werkstoff STAHL - verzinkt
Norm DIN 125A
Abmessung A 13 f. M 12

ISO 7380 Flachkopfschrauben mit Innensechsrund (TX)

ISO 7380 Flachkopfschrauben mit Innensechsrund (TX)
 
Artikel-Nr. 4251-064
Werkstoff ROSTFREI A4
Norm ISO 7380TX
Abmessung M 5 x 45 TX

DIN 934 Sechskantmuttern, WW-BSW

DIN 934 Sechskantmuttern, WW-BSW
 
Artikel-Nr. 3120-932
Werkstoff STAHL 6 AU
Norm DIN 934
Abmessung WW 1.1/2
Unsere App - jetzt online!
NEU im Sortiment: Wir haben unser Dübelsortiment erweitert
Zertifizierung

Kundenbewertungen (2.152)
So entstehen unsere Kundenbewertungen

Unsere Kundenbewertungen einschließlich der Sternebewertungen können nur nach Bestellabschluss erstellt werden.

Dadurch ist sichergestellt, dass unser Bestellprozess, unser Service sowie unsere Produkte von echten Kunden bewertet werden, die ihre Erfahrungen mit ihnen teilen möchten.


"ich sags immer wieder NICHTS ändern! Ihr seid TOP!! Euer Versand ist der absolute OBERHAMMER * * * * *"
- Uwe Krippner

"Einfacher Bestellprozess wenn man mal herausgefunden hat, wie man wieder auf die Startseite mit der Produktübersicht zurückkommt... Hier wäre ein dauerhafter Link in der Navigationsspalte links hilfreich."
-

"Bitte Bitte Bitte so lassen!! Nix ändern!!"
- Uwe Krippner

"war alles gut. Schwierigkeiten habe ich immer mal wieder (nicht nur bei euch) dadurch, dass die Nummern unterschiedlich heißen: - Bestellnummer, Artikelnummer - Auftragsnummer, Bestellnummer, Verwendungszweck"
- Matthias Schwarz

"Sie haben sich zur ersten Adresse für Schrauben entwickelt! Wir danken Ihnen. Gruß David Fuchs"
-

Unsere Cookie-Richtlinien

Wir nutzen Cookies, um unsere Seite für Sie bestmöglich zu gestalten und dauerhaft zu verbessern. Weitere Informationen erhalten Sie in unserer Datenschutzerklärung. Ohne Ihre Zustimmung werden nur technisch notwendige Cookies verwendet.
AKZEPTIEREN
ABLEHNEN