ISO 2010 Linsen-Senkschrauben mit Schlitz
ähnlich DIN 964 Linsen-Senkschrauben mit Schlitz: Kopfhöhen (k) und Kopfdurchmesser (dk) ab M 3 geändert

sind Gewindeschrauben mit metrischen Regelgewinde (M) und einem versenkbaren Senkkopf. Der Senkkopf sorgt dafür, dass die Schraube - wenn vorgesenkt wurde - plan mit dem Untergrund abschließt. Am Ende bleibt nur noch die formschöne Linse stehen und ragt aus dem Material heraus. Der Linsenkopf reduziert auch die Verletzungsgefahr. Außerdem erreicht man dadurch eine bessere Verbindung, da die Schraube in das Material eintaucht. Als Antrieb haben sie einen Längsschlitz, der immer seltener eingesetzt wird. mehr ...


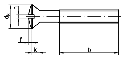
Technische Maße für ISO 2010 Linsen-Senkschrauben mit Schlitz

Legende:
Maße
= Durchmesser metrisches Gewinde (M) (Nennmaß)
dk
= Durchmesser-Kopf
k
= Höhe-Kopf
b
= Länge-Gewinde
n
= Antrieb-Schlitz-Breite
f
= Höhe-Linse beim Linsenkopf

Maße M 2 M 2,5 M 3 M 4 M 5 M 6 M 8 M 10
dk 3,8 4,7 5,6 8,4 9,3 11,3 15,8 18,3
k 1,2 1,5 1,65 2,7 2,7 3,3 4,65 5
b 16 18 19 22 25 28 34 40
f 0,5 0,6 0,75 1 1,25 1,5 2 2,5
n 0,5 0,6 0,8 1 1,2 1,6 2 2,5

weitere Informationen

 

Wo werden ISO 2010 Linsen-Senkschrauben mit Schlitz verwendet?

Häufig werden ISO 2010 Linsen-Senkschrauben mit Schlitz im Maschinen- und Anlagenbau, Elektrotechnik, Modellbau oder für Oldtimer-Autos oder Motorräder zum Verschrauben von Bauteilen, Verkleidungen oder Gehäusen verwendet.

 

Rosetten als Zubehör für Senkschrauben

Zur Vergrößerung der Auflagefläche und als optisches Element werden Senkschrauben häufig in Verbindung mit Rosetten verarbeitet. Dies kann über gestanzte (günstigere) oder Rosetten aus Vollmetall erfolgen. Wir bieten auch Senkrosetten.

 

Lieferbare Werkstoffe für ISO 2010 Linsen-Senkschrauben mit Schlitz

Diese Schraube bieten wir in sehr vielen Werkstoffen an. So z. B. Messing blank, blank gedreht oder Messing vernickelt. Ebenso in Stahl 4.8 blank oder verzinkt sowie  Stahl der Klasse 5.8. Edelstahl Rostfrei A2 eignet sich für Anwendungen im Außenbereich aber ohne dauerhaften Kontakt mit Wasser. Edelstahl Rostfrei A4 verträgt Dauerkontakt mit Wasser, Salzwasser oder bestimmten Säuren.

Alle Angaben ohne Gewähr, Gewährleistung oder Haftung.


Version 3.24.2 - Servername: WEBAPP11


 
 Warenkorb
Zur Kasse | Drucken
 
Ihr Warenkorb ist leer

DIN 934 Sechskantmuttern

DIN 934 Sechskantmuttern
 
Artikel-Nr. 2896-154
Werkstoff ROSTFREI A2
Norm DIN 934
Abmessung M 6

DIN 933 Sechskantschrauben, Gewinde bis Kopf

DIN 933 Sechskantschrauben, Gewinde bis Kopf
 
Artikel-Nr. 4415-023
Werkstoff ROSTFREI A2-80
Norm DIN 933
Abmessung M 12 x 90

Art. Hakenkopf-Halfen-Schrauben, TYP 50/30, mit Mutter, für Profile 50/30 - 50/40 - 49/30 - 52/34 - 54/33

Art. Hakenkopf-Halfen-Schrauben, TYP 50/30, mit Mutter, für Profile 50/30 - 50/40 - 49/30 - 52/34 - 54/33
 
Artikel-Nr. 2008-092
Werkstoff ROSTFREI A4
Norm Art. 81851
Abmessung M 12 x 30
Unsere App - jetzt online!
Die Wegertseder-App: Immer und überall bequem bestellen
Zertifizierung

Kundenbewertungen (2.156)
So entstehen unsere Kundenbewertungen

Unsere Kundenbewertungen einschließlich der Sternebewertungen können nur nach Bestellabschluss erstellt werden.

Dadurch ist sichergestellt, dass unser Bestellprozess, unser Service sowie unsere Produkte von echten Kunden bewertet werden, die ihre Erfahrungen mit ihnen teilen möchten.


"Sehr freundlicher Kontakt mit Frau Stockbauer. Danke für die Hilfe."
-

"Weiter so . . ."
-

"...wir kommen wieder :-)"
-

"Bin absolut zufrieden, Danke, dass Sie auch relative Kleinaufträge für Privatkäufer ermöglichen.BesteGrüße,SOH"
- Sven-Oliver Henkel

"Kaufe seit 6 Jahren bei Wegertsender, bin immer zufrieden. Top"
-

Unsere Cookie-Richtlinien

Wir nutzen Cookies, um unsere Seite für Sie bestmöglich zu gestalten und dauerhaft zu verbessern. Weitere Informationen erhalten Sie in unserer Datenschutzerklärung. Ohne Ihre Zustimmung werden nur technisch notwendige Cookies verwendet.
AKZEPTIEREN
ABLEHNEN