Art. SENK-Blindniet-Muttern, rund, offen, S=Senkkopf 90 Grad

SENK-Blindniet-Muttern, rund, offen, S=Senkkopf 90 Grad bringen an einem Blech ein metrisches Gewinde an. Sie sind Hülsen, die einerseits ein Innengewinde und andererseits einen Kragen haben. Diese Blindnietmuttern haben einen oben einen Senkkopf, der plan mit dem Untergrund abschließt. mehr ...


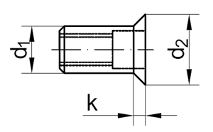
Technische Maße für Art. SENK-Blindniet-Muttern, rund, offen, S=Senkkopf 90 Grad

Legende:
d2
= Durchmesser-Kopf
k
= Höhe-Kopf
Bohrer Ø
= Durchmesser-Vorbohren
Maße
= Durchmesser für metrisches Maß (M) (Nennmaß)
d1
= Durchmesser-Außen

Maße M 3 M 4 M 5 M 6 M 8 M 10 M 12
d1 4,8 5,9 6,9 8,9 10,9 11,9 14,9
d2 8 9 10 12 14 16 18
k 1,7 1,7 1,7 1,7 1,7 1,7 1,7
Bohrer Ø 5 6 7 9 11 12 15
Klemmbereich (s. Abmessung) 1,5 - 2,0 1,5 - 3,5 1,5 - 4,0 1,5 - 4,5 1,5 - 4,5 1,5 - 4,5 1,5 - 4,5

weitere Informationen

 

Wie werden SENK-Blindniet-Muttern mit Senkkopf verarbeitet?

Zuerst wird ein passendes Kern-Loch ins Blech gebohrt und danach die Blindnietmutter auf den Dorn einer Blind-Nietmuttern-Zange aufgeschraubt. Danach wird der Schraubendorn mit der aufgedrehten Niet-Mutter in das gebohrte Kernloch eingesetzt.  Durch Zusammendrücken der Zange spannt sich der Gewindedorn und zieht den dünnwandigen Schaft der Niete nach Außen, wodurch die Blindnietmutter mit dem Material verspannt wird. Zum Verarbeiten benötigen Sie eine Blind-Nietmuttern-Zange mit dem passenden Gewindedorn zur Blindnietmutter.

 

In welchen Werkstoffen gibt es SENK-Blindniet-Muttern?

Gängige Werkstoffe für Blindnietmuttern sind korrosionsbeständige Werkstoffe wie Edelstahl Rostfrei A2. Achten Sie bei der Wahl der passenden Schrauben, dass es zu keiner Kontakt-Korrosion kommt. Sie sollten z. B. nicht die Schrauben aus Stahl verzinkt und die Blindnietmutter aus Edelstahl Rostfrei A2 wählen. Alternativ liefern wir dieses Produkt auch in Stahl verzinkt und Aluminium.

Alle Angaben ohne Gewähr, Gewährleistung oder Haftung.


Version 3.24.4 - Servername: WEBAPP12


 
 Warenkorb
Zur Kasse | Drucken
 
Ihr Warenkorb ist leer

DIN 912 Zylinderschrauben, mit Innensechskant

DIN 912 Zylinderschrauben, mit Innensechskant
 
Artikel-Nr. 2534-358
Werkstoff ROSTFREI A2
Norm DIN 912
Abmessung M 5 x 10

Art. Spanplattenschrauben, Innensechsrund (TX), Senkkopf, Vollgewinde, Importware

Art. Spanplattenschrauben, Innensechsrund (TX), Senkkopf, Vollgewinde, Importware
 
Artikel-Nr. 4405-008
Werkstoff ROSTFREI A4
Norm Art. 81939
Abmessung 3 x 40 TX

DIN 462 Scheiben mit Innennase, für Nutmutter DIN 1804

DIN 462 Scheiben mit Innennase, für Nutmutter DIN 1804
 
Werkstoff alle
Norm DIN 462
Abmessung 35
Unsere App - jetzt online!
Die Wegertseder-App: Lagernde Artikel sofort im Blick durch Verfügbarkeits-Info
Zertifizierung

Kundenbewertungen (2.300)
So entstehen unsere Kundenbewertungen

Unsere Kundenbewertungen einschließlich der Sternebewertungen können nur nach Bestellabschluss erstellt werden.

Dadurch ist sichergestellt, dass unser Bestellprozess, unser Service sowie unsere Produkte von echten Kunden bewertet werden, die ihre Erfahrungen mit ihnen teilen möchten.


"Passt soweit alles."
-

"Anmerkung zur letzten Frage: bereits mehrfach weiterempfohlen"
-

"Einfacher Bestellprozess wenn man mal herausgefunden hat, wie man wieder auf die Startseite mit der Produktübersicht zurückkommt... Hier wäre ein dauerhafter Link in der Navigationsspalte links hilfreich."
-

"Es funktioniert einfach, im wahsten Sinne des Wortes - Vielen Dank dafür."
-

"Bitte Bitte Bitte so lassen!! Nix ändern!!"
- Uwe Krippner

Unsere Cookie-Richtlinien

Wir nutzen Cookies, um unsere Seite für Sie bestmöglich zu gestalten und dauerhaft zu verbessern. Weitere Informationen erhalten Sie in unserer Datenschutzerklärung. Ohne Ihre Zustimmung werden nur technisch notwendige Cookies verwendet.
AKZEPTIEREN
ABLEHNEN